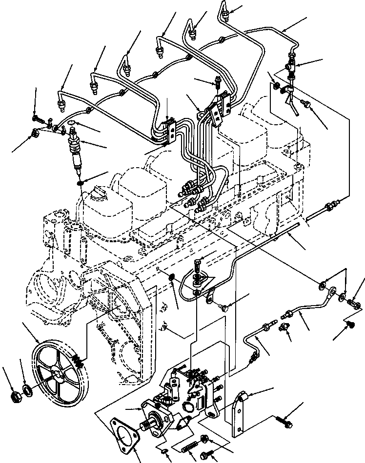
| 5 | 1240 334 H1 | SCREW, BANJO CONNECTOR | |
| 6 | 1240 848 H1 | TUBE, FUEL SUPPLY | |
| 7 | 1240 634 H1 | TUBE, FUEL SUPPLY | |
| 8 | 1240 635 H1 | TUBE, FUEL SUPPLY | |
| 9 | 1240 636 H1 | TUBE, FUEL SUPPLY | |
| 10 | 1240 637 H1 | TUBE, FUEL SUPPLY | |
| 11 | 1240 638 H1 | TUBE, FUEL SUPPLY | |
| 12 | 1240 851 H91 | MANIFOLD, FUEL | |
| |$12 | 1271 332 H1 | SEAL, GROMMET | |
| 13 | 1295 500 H1 | BRACE, TUBE | |
| |$14 | 1294 823 H1 | ISOLATOR, VIBRATION | |
| 14 | 1240 260 H1 | BRACE, TUBE | |
| |$16 | 1294 781 H1 | BOLT | |
| |$17 | 1240 227 H1 | WASHER, PLAIN | |
| 15 | 1278 262 H1 | BOLT | |
| 16 | 1295 501 H1 | BRACE, TUBE | |
| 17 | 1240 129 H1 | SEAL, GROMMET | |
| 18 | 1240 749 H1 | TUBE, FUEL DRAIN | |
| |$22 | 1271 332 H1 | SEAL, GROMMET | |
| 19 | 1240 342 H1 | TEE, MALE UNION | |
| 20 | 1240 141 H1 | BOLT | |
| 21 | 1295 753 H91 | TUBE, FUEL DRAIN | |
| |$26 | 1271 332 H1 | SEAL, GROMMET | |
| 22 | 1294 334 H1 | WASHER, PLAIN | |
| 23 | 1241 244 H1 | SCREW, BANJO CONNECTOR | |
| 24 | 1240 980 H1 | BOLT, CAPTIVE WASHER | |
| 25 | 1240 843 H91 | TUBE, FUEL SUPPLY | |
| |$31 | 1240 335 H1 | SEAL, GROMMET | |
| 26 | 1240 840 H1 | UNION, MALE | |
| 27 | 1242 022 H91 | TUBE, FUEL SUPPLY | |
| |$34 | 1240 335 H1 | SEAL, GROMMET | |
| 28 | 1240 129 H1 | SEAL, GROMMET | |
| 29 | 1240 141 H1 | BOLT | |
| 30 | 1240 735 H1 | BRACE, FUEL INJECTION PUMP | |
| 32 | 1240 203 H1 | WASHER, PLAIN (SEE PG E4-010) | |
| 33 | 1240 744 H1 | SCREW, CONNECTOR (SEE PG E4-010) | |
| 34 | 1240 629 H1 | ADAPTER, TUBE (SEE PG E4-010) | |
| 35 | 1238 107 H1 | WASHER, LOCK (SEE PG E4-010) | |
| 36 | 1240 656 H1 | NUT, HEX (SEE PG E4-010) | |
| 37 | 1240 193 H1 | KEY, WOODRUFF (SEE PG E4-010) | |
| 38 | 1240 136 H1 | NUT, HEX | |
| 39 | 1240 141 H1 | BOLT | |
| 40 | 1240 198 H1 | STUD | |
| 41 | 1240 141 H1 | BOLT | |
| 42 | 1282 074 H1 | GASKET, FUEL PUMP | |
| 43 | 1282 073 H2 | GEAR, FUEL PUMP |