- Главная
- Справочник
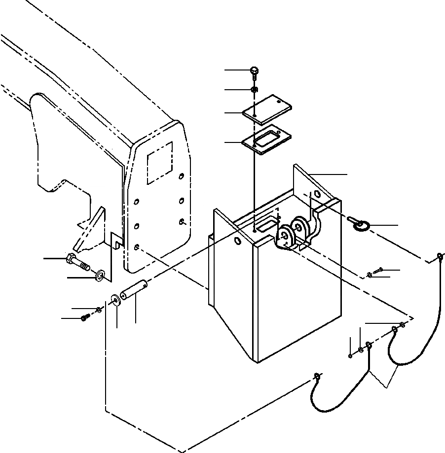
Запчасти толкающ. пластина грейдеры gd650a/aw-2ey & gd650a/aw-2ey s/n 210098-up Komatsu
|
|
|$0 |
1434 410 H91 |
PLATE INSTALLATION, PUSH - 1000 LB
|
|
|
1 |
24 861 R1 |
BOLT
|
|
|
2 |
25 546 R1 |
WASHER, FLAT
|
|
|
3 |
159 002 |
COVER
|
|
|
4 |
159 003 |
GASKET
|
|
|
5 |
1434 877 H91 |
PLATE WELDMENT, PUSHER
|
|
|
6 |
25 894 R1 |
BOLT
|
|
|
7 |
25 550 R1 |
WASHER, LOCK
|
|
|
8 |
25 752 R1 |
BOLT
|
|
|
9 |
25 532 R1 |
WASHER, FLAT
|
|
|
10 |
62 935 |
WASHER, FLAT
|
|
|
11 |
1434 880 H1 |
PIN, HITCH
|
|
|
12 |
1433 073 H1 |
LANYARD
|
|
|
13 |
25 519 R1 |
NUT, HEX
|
|
|
14 |
25 532 R1 |
WASHER, FLAT
|
|
|
15 |
25 489 R1 |
BOLT
|
|
|
16 |
1433 035 H1 |
PIN, SELF-LOCKING
|
|
|
|$17 |
1434 411 H91 |
PLATE INSTALLATION, PUSH - 2000 LB
|
|
|
|$20 |
84 526 |
STEEL SCRAP
|
1
2
3
4
5
16
6
15
14
7
9
8
14
11
13
10
12