- Главная
- Справочник
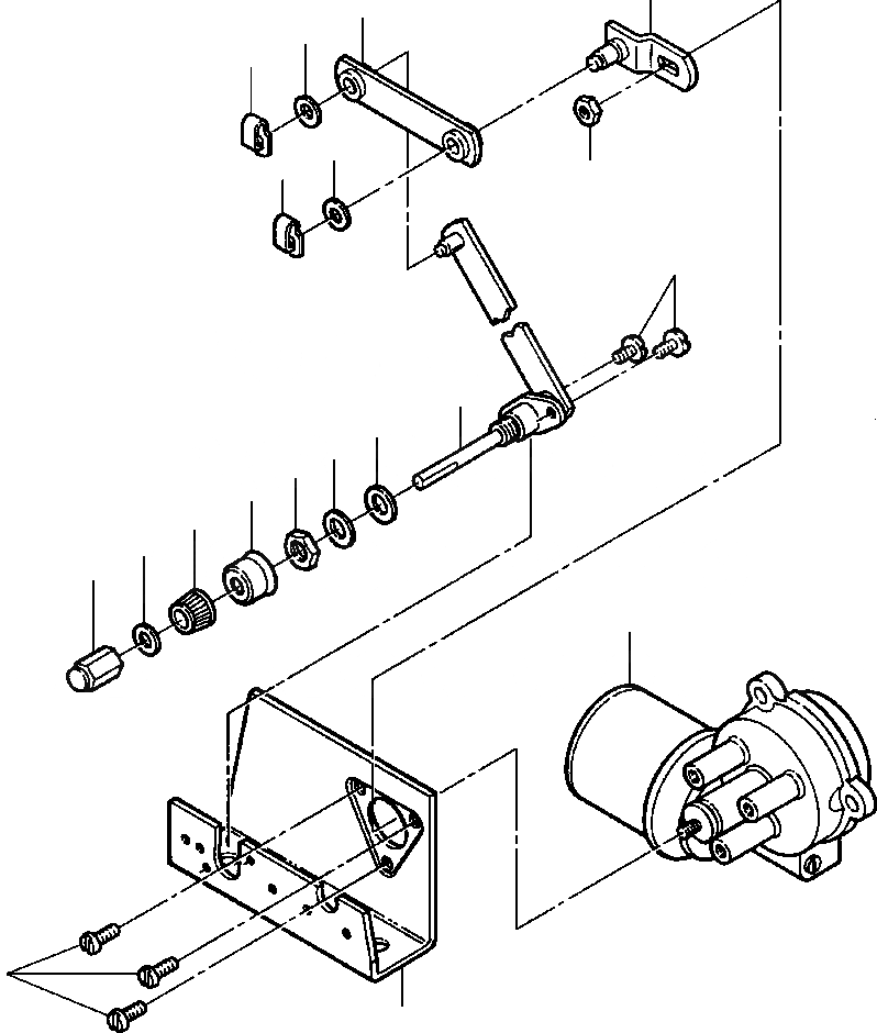
Запчасти windзащитн. дворники мотор грейдеры gd650a/aw-2ey & gd650a/aw-2ey s/n 210098-up Komatsu
|
|
|$0 |
1431 996 H91 |
MOTOR ASSEMBLY, WINDSHIELD WIPER
|
|
|
1 |
1432 547 H1 |
MOTOR
|
|
|
2 |
1432 548 H1 |
BRACKET
|
|
|
3 |
79 621 |
SCREW, MACHINE
|
|
|
4 |
1432 599 H1 |
SHAFT, PIVOT
|
|
|
5 |
1432 541 H1 |
WASHER, FLAT
|
|
|
6 |
1432 542 H1 |
WASHER, FLAT
|
|
|
7 |
1432 543 H1 |
NUT, HEX
|
|
|
8 |
1432 544 H1 |
CAP
|
|
|
9 |
1432 545 H1 |
DRIVER, KNURLED
|
|
|
10 |
44 883 |
WASHER, LOCK
|
|
|
11 |
1432 546 H1 |
NUT, ACORN
|
|
|
12 |
9418 630 |
SCREW
|
|
|
13 |
1432 600 H1 |
ARM, DRIVE
|
|
|
14 |
728 523 C1 |
LINK, CONNECTING
|
|
|
15 |
79 620 |
WASHER, FLAT
|
|
|
16 |
79 617 |
CLIP, SPRING
|
|
|
17 |
1432 549 H1 |
NUT, HEX
|
13
14
15
16
15
16
17
12
4
5
6
7
8
9
10
11
1
3
2