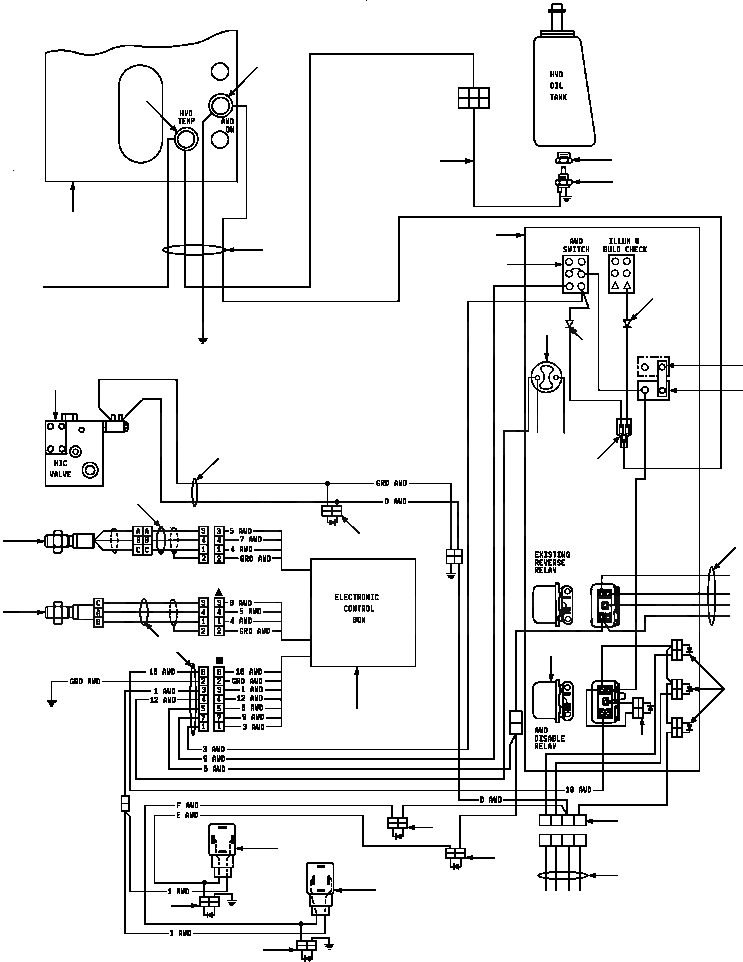
Запчасти awd электропроводка diagram грейдеры gd650a/aw-2a/2b/2c & gd670a/aw-2a/2b/2c w/ s6d114 s/n 202002-up Komatsu



2 1270 236 H91 LIGHT, PILOT - HYD. OIL TEMP. - RED
|$2 274 019 BULB - 24 VOLT
3 1270 237 H91 LIGHT, PILOT - AWD ON - GREEN
|$4 274 019 BULB - 24 VOLT
6 444 032 BUSHING, REDUCER
7 1282 169 H1 SWITCH, HYDRAULIC OIL TEMPERATURE
|$9 158 982 SWITCH, HYDRAULIC OIL TEMPERATURE
9 1258 399 H1 SWITCH, AWD
|$12 644 614 C1 SWITCH, AWD
10 1259 350 H1 DIODE ASSEMBLY
11 1106 459 C1 BAR, BUSS
12 141 656 BREAKER, CIRCUIT - 6 AMP
14 250 381 C91 Y-CONNECTOR
16 1432 716 H1 RELAY - AWD DISABLE
|$20 935 522 C1 STRAP, TIE
17 1284 602 H91 HARNESS, AWD FRONT
18 1279 522 H91 CONNECTOR, DIODE
20 1258 753 H1 HARNESS, FRONT WHEEL SENSOR
21 1246 048 H1 HARNESS, REAR WHEEL SENSOR
22 1433 532 H91 HARNESS, AWD REAR
23 1279 522 H91 CONNECTOR, DIODE
3
2
6
5
7
1
8
4
9
10
13
10
11
19
12
17
14
17
15
20
18
21
22
16
23
24
23
22
23
25
23
15
26
23
23
X
Рассчитать