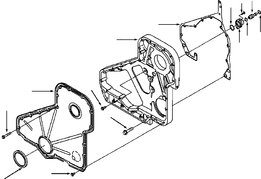
Запчасти передн. привод cover грейдеры gd650a/aw-2a/2b/2c & gd670a/aw-2a/2b/2c w/ s6d114 s/n 202002-up Komatsu



1 1241 110 H1 BOLT
2 6732-21-3160 BOLT (M5x0.80x17)
3 6732-21-3140 PIN, TIMING
4 6732-21-3150 RING, RETAINING
5 6732-21-3870 O-RING
6 6732-21-3180 HOUSING, TIMING PIN
7 6732-21-3880 SEAL, RECTANGULAR RING
8 6736-21-5310 BOLT (M8x1.25x16)
9 1241 247 H93 HOUSING, FRONT GEAR
10 1278 593 H3 GASKET, GEAR HOUSING
11 1307 190 H1 BOLT (M8x1.25x20)
|$11 1241 214 H92 KIT, FRONT SEAL SERVICE
12 NSS SEAL, OIL
13 1307 191 H1 COVER, GEAR
14 1307 192 H1 BOLT (M8x1.25x50)
3
2
7
10
4
9
5
6
11
13
14
1
8
12
X
Рассчитать