zakaz@zapkomat.su
8 800 777-45-32
Расчитать заявку
Каталог
Типы
Гидравлика
Крепеж
Прокладки
Соединения
Кожухи
Электрика
Справочник
Запрос сотрудничества
Сервисным организациям
Контакты
Главная
Справочник
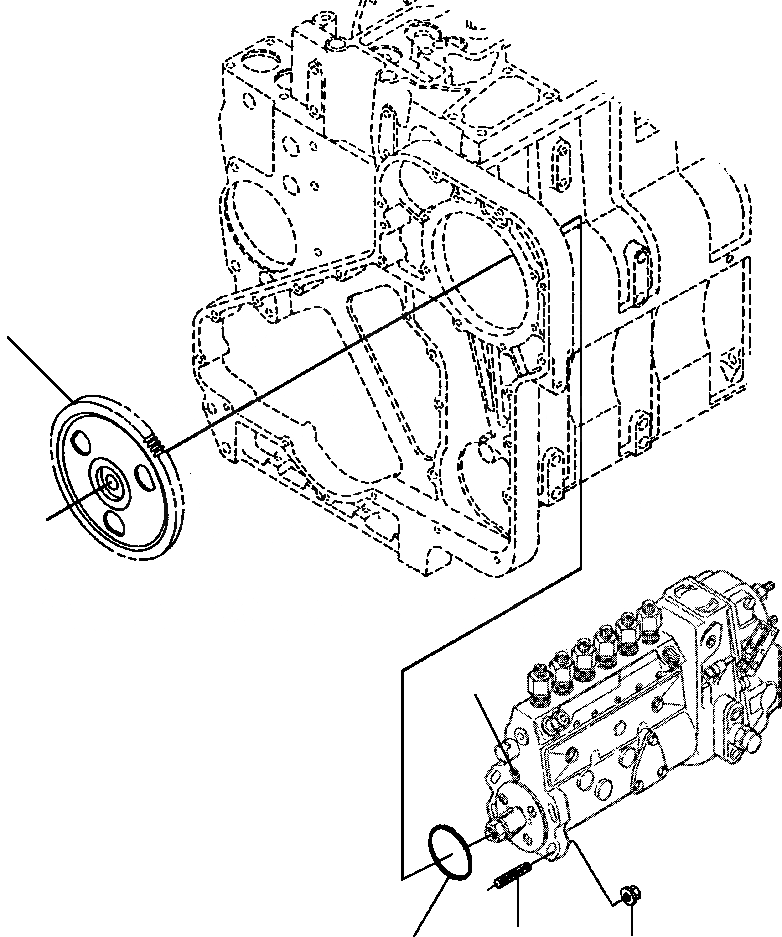
Запчасти топливн. насос соединение грейдеры gd650a-2 s/n 202001 Komatsu
1
1240 960 H1
NUT, HEX
2
1241 255 H1
GEAR, FUEL PUMP
3
1294 809 H1
STUD
5
1241 232 H2
O-RING
4
5
1
2
3
X
Рассчитать
Ваше имя:
Телефон *:
E-mail:
Сообщение: Пришлите наличие и стоимость
Оформить заказ