zakaz@zapkomat.su
8 800 777-45-32
Расчитать заявку
Каталог
Типы
Гидравлика
Крепеж
Прокладки
Соединения
Кожухи
Электрика
Справочник
Запрос сотрудничества
Сервисным организациям
Контакты
Главная
Справочник
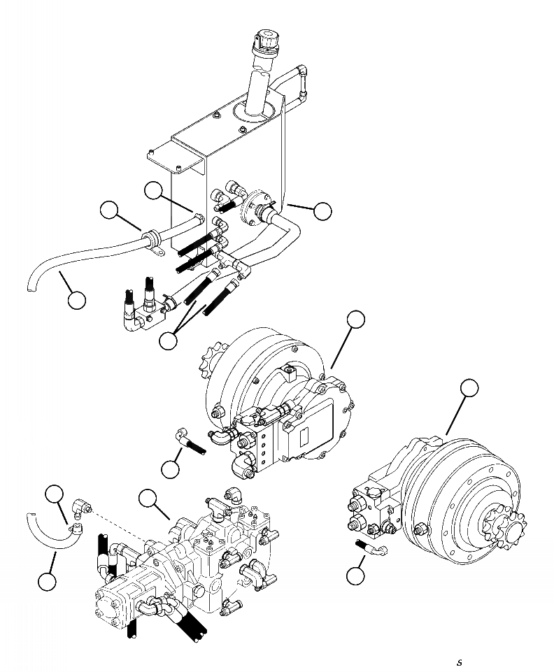
Запчасти h-a9 гидролиния - super поток возвратн. линии погрузчики с бортовым поворотом sk1026-5n s/n a80001-a80531 Komatsu
2
37A-62-13260
HOSE, PUMP TO TANK
3
02781-00259
CLAMP, HOSE
4
37A-09-5N505
CLIP
6
37A-62-13222
HOSE, FINAL DRIVE TO TANK
3
4
5
2
7
6
7
6
3
1
6
2
X
Рассчитать
Ваше имя:
Телефон *:
E-mail:
Сообщение: Пришлите наличие и стоимость
Оформить заказ