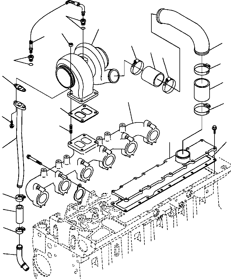
Запчасти turbo трубы грейдеры gd670a-1/aw-1 s/n 200840-202000 Komatsu



1 1282 066 H2 ELBOW, PLAIN ADAPTER
|$1 1294 458 H1 O-RING
2 1294 153 H1 HOSE, FLEXIBLE
4 1239 531 H1 CLAMP, HOSE
5 1294 856 H1 HOSE, PLAIN
6 1241 032 H1 TUBE, AIR
10 1240 658 H1 TUBE, TURBO OIL DRAIN
11 1270 366 H1 CLAMP, HOSE
12 1240 659 H1 HOSE, PLAIN
13 1241 033 H2 CONNECTION, TURBO OIL DRAIN
14 1240 140 H1 BOLT
15 1240 549 H1 STUD
17 1240 550 H1 NUT, HEX
1
3
17
2
6
5
1
18
5
9
16
15
8
7
13
11
12
11
10
4
4
4
4
14
X
Рассчитать