zakaz@zapkomat.su
8 800 777-45-32
Расчитать заявку
Каталог
Типы
Гидравлика
Крепеж
Прокладки
Соединения
Кожухи
Электрика
Справочник
Запрос сотрудничества
Сервисным организациям
Контакты
Главная
Справочник
Запчасти starter двигатели 210m qsk19 engine Komatsu
1
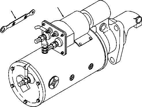
1241 597 H1
WIRE, GROUND
2
MOTOR, STARTING (SEE PG E6-016)
|$$3
|$3
R1 - REMANUFACTURED ASSEMBLY AVAILABLE; REFER TO REMANUFACTURED
|$4
ASSEMBLIES CATALOG.
2
1
X
Рассчитать
Ваше имя:
Телефон *:
E-mail:
Сообщение: Пришлите наличие и стоимость
Оформить заказ