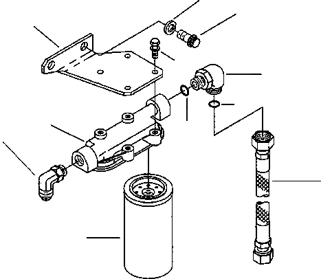
| 1 | 1238 100 H1 | WASHER, LOCK (5/8 INCH) | |
| 2 | 1241 441 H1 | BOLT (5/8 - 11 x 1 1/4 INCH) | |
| 3 | 1238 853 H1 | HEAD, FUEL FILTER | |
| 4 | 140 483 H | BOLT (3/8 - 16 x 1 1/4 INCH) | |
| 5 | 1311 025 H91 | BRACKET, FILTER | |
| |$5 | 1307 798 H91 | ELBOW, MALE UNION | |
| 6 | 1294 110 H1 | SEAL, O RING | |
| 7 | 1307 799 H1 | SEAL, O RING | |
| 8 | 1307 800 H1 | ELBOW, MALE UNION | |
| 9 | 1310 477 H1 | HOSE, FLEXIBLE | |
| 10 | 1307 803 H1 | ELBOW, MALE UNION | |
| 11 | 1310 368 H1 | SEPARATOR, FUEL WATER |