zakaz@zapkomat.su
8 800 777-45-32
Расчитать заявку
Каталог
Типы
Гидравлика
Крепеж
Прокладки
Соединения
Кожухи
Электрика
Справочник
Запрос сотрудничества
Сервисным организациям
Контакты
Главная
Справочник
Запчасти 608 26 двигатели 6d125-1q s/n 10001-up Komatsu
|1
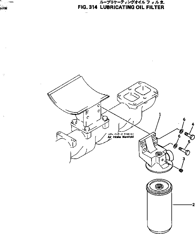
6150-51-5301
OIL FILTER
1
6150-51-5311
BRACKET
2
6136-51-5120
CARTRIDGE
3
07043-00108
PLUG
4
01010-51025
BOLT
5
01010-51035
BOLT
6
01640-21016
WASHER
X
Рассчитать
Ваше имя:
Телефон *:
E-mail:
Сообщение: Пришлите наличие и стоимость
Оформить заказ