- Главная
- Справочник
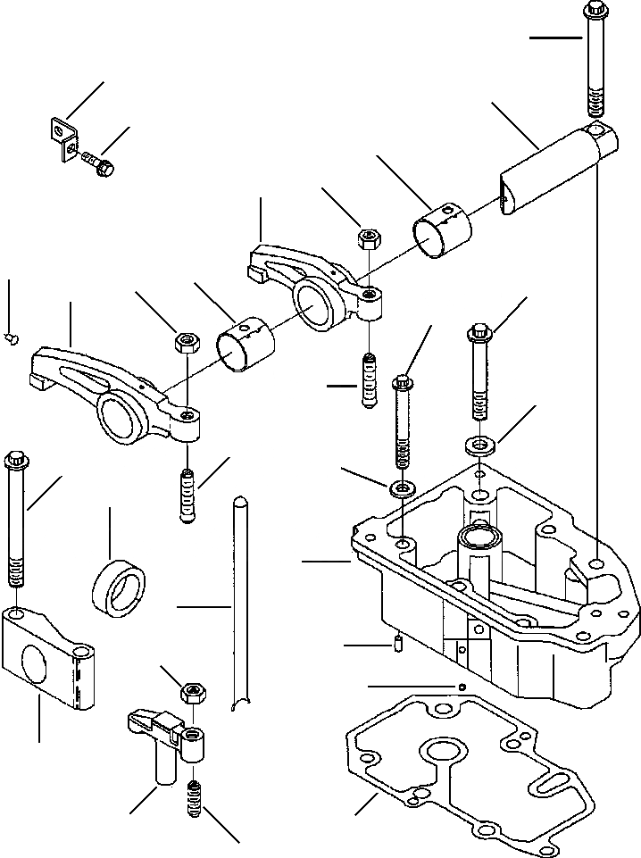
Запчасти рычаг коромысла самосвалы 330m s/n a10190-a10195 (dh637) (sa12v140z-1) Komatsu
|
|
1 |
6162-43-5630 |
NUT (M10x1.25)
|
|
|
|$1 |
6210-11-7101 |
HOUSING, ROCKER LEVER ASSEMBLY
|
|
|
2 |
NSS |
HOUSING, ROCKER LEVER
|
|
|
3 |
07046-41008 |
PLUG, EXPANSION
|
|
|
4 |
6210-11-7830 |
GASKET, HOUSING
|
|
|
5 |
6210-41-3120 |
ROD, PUSH
|
|
|
|$6 |
6210-51-5201 |
LEVER, ROCKER ASSEMBLY
|
|
|
6 |
6162-43-5340 |
RIVET
|
|
|
|$8 |
6210-41-5041 |
LEVER, INTAKE ROCKER ASSEMBLY
|
|
|
7 |
6150-41-5540 |
BOLT (M10x1.50x43)
|
|
|
8 |
01582-11008 |
NUT (M10x1.25)
|
|
|
|$11 |
6216-44-5420 |
LEVER, INTAKE ROCKER
|
|
|
9 |
6210-41-5411 |
LEVER, ROCKER
|
|
|
10 |
6210-41-5421 |
BUSHING
|
|
|
|$14 |
6210-41-5051 |
LEVER, EXHAUST ROCKER ASSEMBLY
|
|
|
11 |
6150-41-5540 |
BOLT (M10x1.50x43)
|
|
|
12 |
01582-11008 |
NUT (M10x1.50)
|
|
|
|$17 |
6210-41-5501 |
LEVER, EXHAUST ROCKER
|
|
|
13 |
6210-41-5511 |
LEVER, ROCKER
|
|
|
14 |
6210-41-5520 |
BUSHING
|
|
|
15 |
6210-41-5313 |
SHAFT, ROCKER LEVER
|
|
|
16 |
6210-41-5440 |
COLLAR, THRUST
|
|
|
17 |
6210-41-5530 |
SUPPORT, ROCKER LEVER
|
|
|
18 |
04020-00514 |
DOWEL, PIN
|
|
|
19 |
6210-41-5620 |
CROSSHEAD, VALVE
|
|
|
20 |
6210-41-5640 |
BOLT, CROSSHEAD ADJUSTING (M10x1.25x30)
|
|
|
21 |
6210-81-8310 |
BOLT (M12x1.75x102)
|
|
|
22 |
01438-01220 |
BOLT, SUPPORT MOUNTING
|
|
|
23 |
01437-01280 |
BOLT (M12x1.75x80)
|
|
|
24 |
01643-51232 |
WASHER, PLAIN
|
|
|
25 |
01437-11080 |
BOLT (M10x1.50x80)
|
|
|
26 |
01643-51032 |
WASHER, PLAIN
|
|
|
27 |
6215-51-8180 |
BRACE, HOSE
|
|
|
28 |
01437-01085 |
BOLT
|
21
27
15
28
10
8
9
6
14
12
23
13
25
7
24
11
26
22
16
2
5
18
1
3
17
4
19
20