| |1 | 6221-71-6302 | FUEL FILTER ASS'Y | |
| |1 | 6221-71-6202 | FUEL FILTER ASS'Y | |
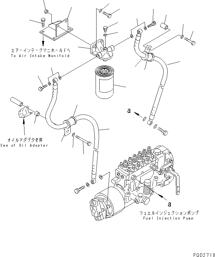
| 1 | 6221-71-6110 | COVER | |
| 2 | 600-311-7520 | PLUG | |
| 3 | 07005-01412 | GASKET (K2) | |
| 4 | 600-311-8321 | CARTRIDGE | |
| |4 | 600-311-8293 | CARTRIDGE | |
| |4 | 6110-73-6231 | PLUG | |
| |4 | 07005-00812 | GASKET | |
| 5 | 01010-81030 | BOLT | |
| 6 | 01640-21016 | WASHER | |
| 7 | 6150-71-6210 | BRACKET | |
| 8 | 01010-81030 | BOLT | |
| 9 | 01580-11008 | NUT | |
| 10 | 07271-01485 | HOSE | |
| 11 | 07271-11460 | HOSE | |
| 12 | 07206-31014 | BOLT,JOINT | |
| 13 | 07005-01412 | GASKET (K2) | |
| 14 | 04434-52511 | CLIP | |
| 15 | 07095-20318 | CUSHION | |
| 16 | 6206-11-4590 | SPACER | |
| 17 | 01011-81060 | BOLT | |
| 18 | 6152-21-6590 | SPACER | |
| 19 | 01011-81020 | BOLT | |
| 20 | 01640-21016 | WASHER |