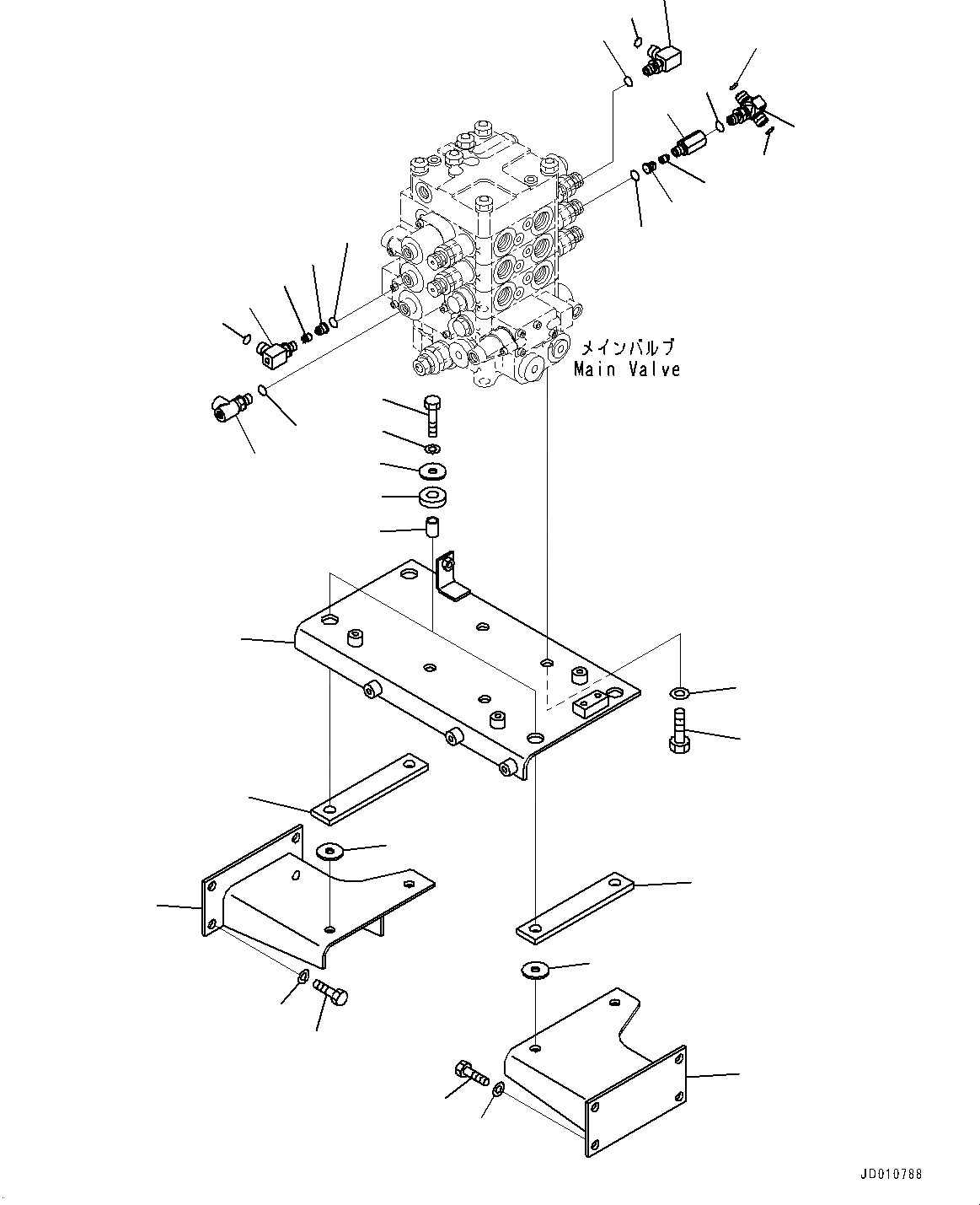
Запчасти гидравл управляющ. клапан, управляющ. клапан компоненты (/) (№99-) погрузчики колесные wa380-6 s/n 65949-up Komatsu



1 423-64-45120 Bracket
2 01010-81635 Bolt
3 01643-31645 Washer
4 419-43-17930 Cushion
5 417-54-13470 Spacer
6 419-43-17920 Washer
7 01010-81255 Bolt
8 01643-31232 Washer
9 424-64-23130 Cushion
10 423-64-35530 Bracket,L.H.
11 01010-D1225 Bolt
12 01643-71232 Washer
13 423-64-35520 Bracket,R.H.
14 01010-D1225 Bolt
15 01643-71232 Washer
16 423-62-34290 Elbow
17 07002-11423 O-ring
18 02896-11009 O-ring
18 423-62-35440 Valve Assembly
19 418-62-34490 Elbow
20 203-60-62320 Poppet
21 423-62-35450 Plug
22 07002-11423 O-ring
23 02896-11009 O-ring
24 423-62-43640 Valve Assembly
25 21W-973-3420 Poppet
26 21Y-62-11591 Plug
27 07002-11423 O-ring
28 423-62-34591 Tee
29 07002-11423 O-ring
30 02896-11009 O-ring
31 22F-62-11990 Tee
32 07002-11423 O-ring
16
17
18
24
25
26
27
28
29
30
30
9
6
32
31
23
22
21
20
19
15
14
13
12
11
10
9
8
7
6
5
4
3
2
1
6
X
Рассчитать