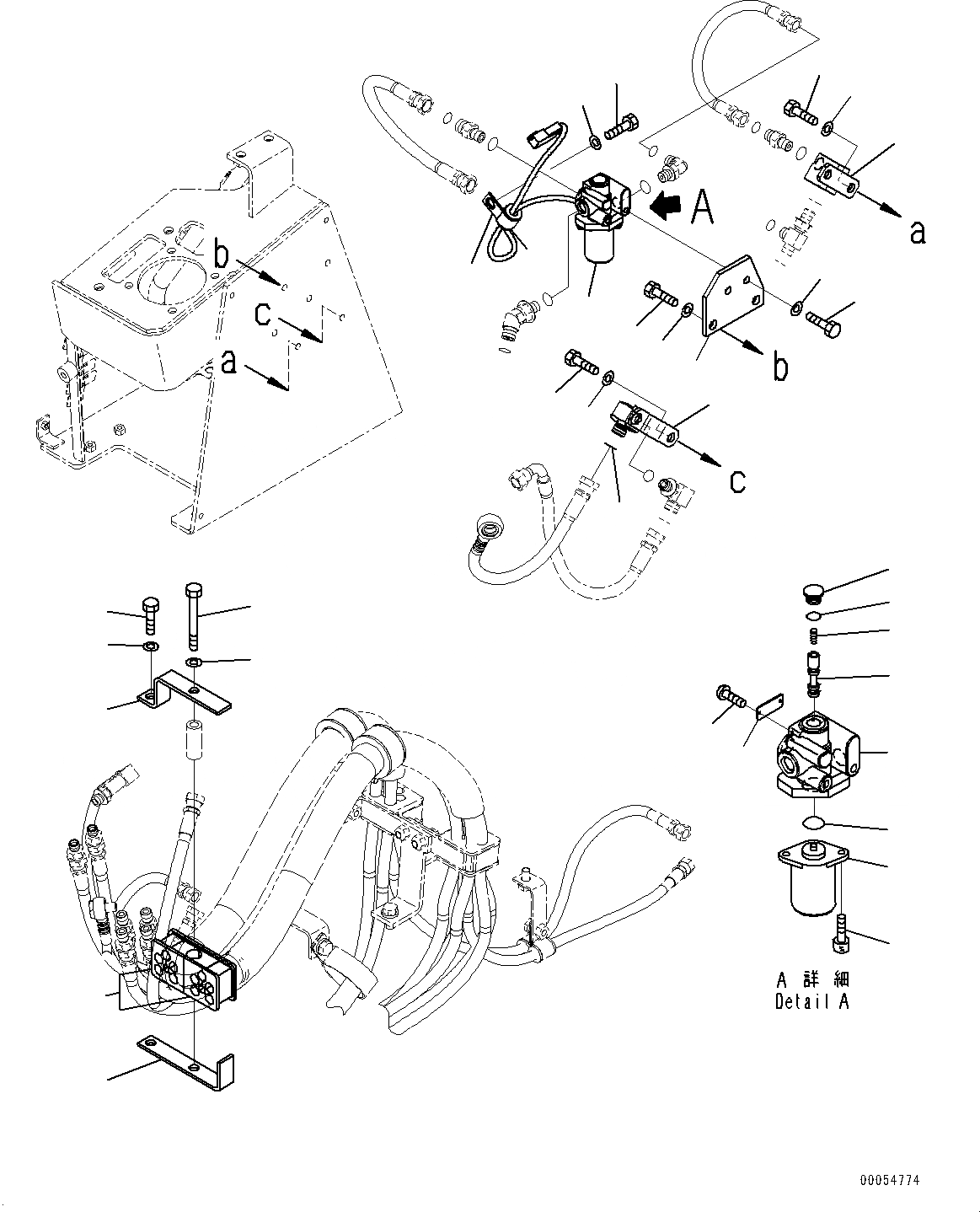
Запчасти управление погрузкой блок, ppc трубы (/) (№99-) погрузчики колесные wa380-6 s/n 65949-up Komatsu



1 423-V91-4271 Plate
2 01010-81020 Bolt
3 01643-31032 Washer
4 423-V91-4250 Block
5 02896-11009 O-ring
6 01010-81020 Bolt
7 01643-31032 Washer
8 423-V91-4281 Block
9 01010-81020 Bolt
10 01643-31032 Washer
10 20Y-60-32110 Valve Assembly
11 20Y-60-32121 Solenoid Assembly
12 NY08000-02200 Plug
13 NY06339-10200 Spring
14 NY07493-10200 Spool
15 NY09000-11400 Plate
16 NY84110-00264 Screw
17 NY81446-05010 Bolt
18 Block
19 07000-12011 O-ring
20 07000-12016 O-ring
21 01010-80820 Bolt
22 01643-30823 Washer
23 04434-51712 Clip
24 07095-20211 Cushion
25 01010-81020 Bolt
26 01643-31032 Washer
27 423-43-48371 Plate
28 423-43-48382 Bracket
29 01010-81080 Bolt
30 01643-31032 Washer
31 423-43-48161 Cushion
32 01010-81030 Bolt
33 01643-31032 Washer
9
6
11
1
24
21
22
3
2
23
25
26
5
4
10
8
7
33
27
32
29
30
28
31
20
11
16
17
15
12
19
13
14
18
X
Рассчитать