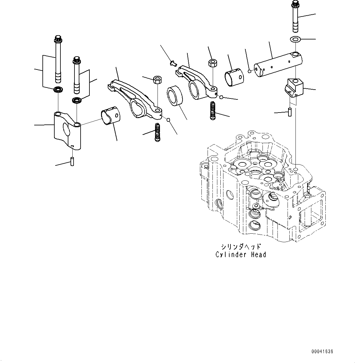
| |$0 | 6261-41-5040 | Rocker Arm Assembly | |
| |$1 | 6261-41-5400 | Arm Assembly | |
| 1 | Arm Assembly, Rocker | ||
| 2 | 6261-41-5420 | Bushing | |
| 3 | 6162-43-5340 | Rivet | |
| 4 | 04260-00317 | Ball, Steel | |
| 5 | 6217-41-5550 | Screw | |
| 6 | 01582-01008 | Nut | |
| 6 | 6261-41-5050 | Rocker Arm Assembly | |
| 6 | 6261-41-5500 | Arm Assembly | |
| 7 | Arm | ||
| 8 | 6261-41-5520 | Bushing | |
| 9 | 04260-00317 | Ball, Steel | |
| 10 | 6217-41-5550 | Screw | |
| 11 | 01582-01008 | Nut | |
| 11 | 6934-42-5300 | Shaft Assembly | |
| 12 | Shaft | ||
| 13 | 04260-00635 | Ball, Steel | |
| 14 | 6261-41-5530 | Bracket | |
| 15 | 6210-41-5440 | Collar | |
| 16 | 04020-00514 | Pin, Dowel | |
| 17 | 04020-00514 | Pin, Dowel | |
| 18 | 6217-41-5540 | Spacer | |
| 19 | 6217-41-5570 | Bolt | |
| 20 | 6217-41-5560 | Bolt | |
| 21 | 6217-81-8311 | Bolt | |
| 22 | 01643-51232 | Washer |