zakaz@zapkomat.su
8 800 777-45-32
Расчитать заявку
Каталог
Типы
Гидравлика
Крепеж
Прокладки
Соединения
Кожухи
Электрика
Справочник
Запрос сотрудничества
Сервисным организациям
Контакты
Главная
Справочник
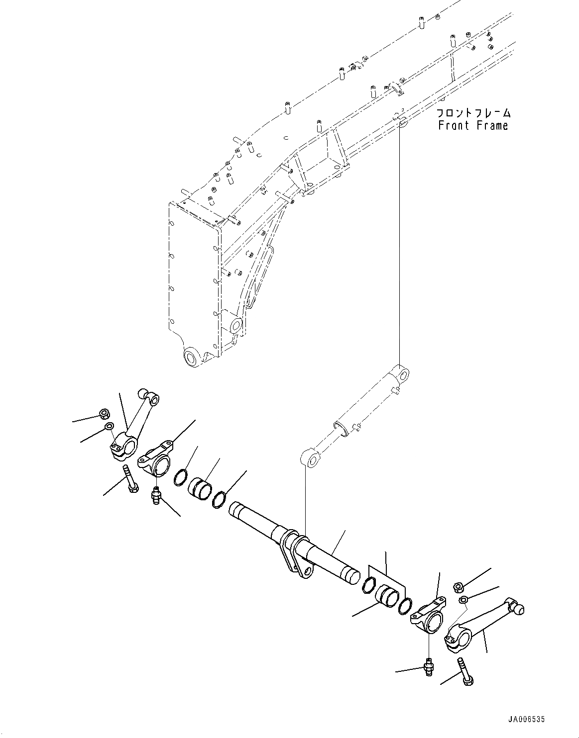
Запчасти scarifier, (/) (№9-) грейдеры gd675-5 s/n 55001-up Komatsu
1
23B-71-31312
Shaft
2
23B-71-11190
Support
3
23B-71-11280
Bushing
4
07145-00090
Seal, Dust
5
07020-00000
Fitting, Grease
6
232-71-52210
Arm
7
01011-81610
Bolt
8
01643-51645
Washer
9
01580-11613
Nut
9
8
7
6
9
8
5
7
6
3
2
4
4
3
2
4
5
1
X
Рассчитать
Ваше имя:
Телефон *:
E-mail:
Сообщение: Пришлите наличие и стоимость
Оформить заказ