zakaz@zapkomat.su
8 800 777-45-32
Расчитать заявку
Каталог
Типы
Гидравлика
Крепеж
Прокладки
Соединения
Кожухи
Электрика
Справочник
Запрос сотрудничества
Сервисным организациям
Контакты
Главная
Справочник
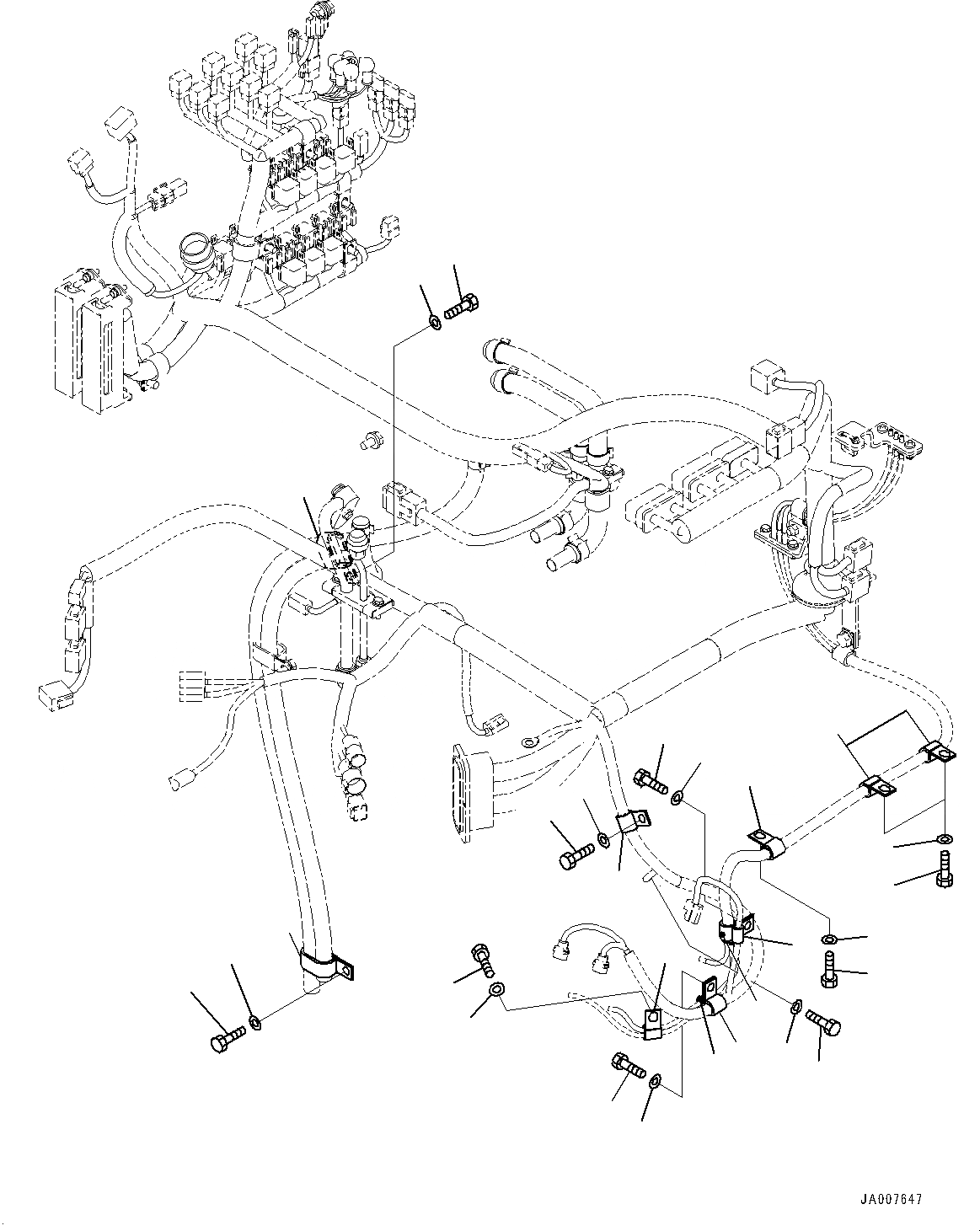
Запчасти основн. конструкция, кондиц. воздуха дренажные патрубки крепление (№-) грейдеры gd555-5 s/n 55001-up Komatsu
1
01010-81016
Bolt
2
01643-31032
Washer
3
01010-81020
Bolt
4
01643-31032
Washer
5
04434-50810
Clip
6
04434-51410
Clip
7
04435-50610
Clip
8
04435-52110
Clip
3
4
7
6
2
1
6
5
3
4
3
4
6
6
4
3
3
4
6
7
4
3
3
4
8
8
4
3
X
Рассчитать
Ваше имя:
Телефон *:
E-mail:
Сообщение: Пришлите наличие и стоимость
Оформить заказ