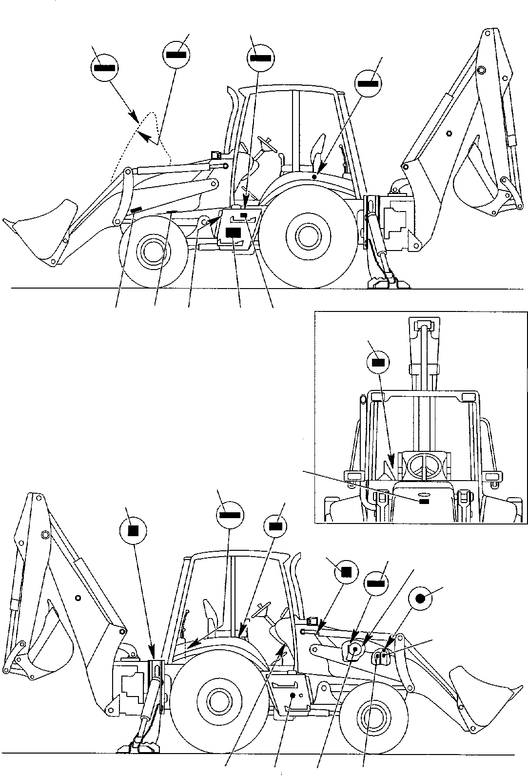
| \0 | 816215073 | KIT, BASIC STICKER | |
| 1 | PLATE, ''DON'T OPEN HOOD'' | ||
| 2 | PLATE, ''CALIFORNIA'' | ||
| 3 | PLATE, ''EXPLOSIVE GASES'' | ||
| 4 | PLATE, ''BACKHOE LOCKING'' | ||
| 5 | PLATE, ''HIGH PRESSURE ATTENTION'' | ||
| 6 | PLATE, ''LUBRICATING POINTS'' | ||
| 7 | PLATE, ''FUEL TANK'' | ||
| 8 | PLATE, ''EMERGENCY START'' | ||
| 9 | PLATE, ''LOADER RAISED'' | ||
| 10 | PLATE, ''BACKHOE SWING LOCKING'' | ||
| 11 | PLATE ''DO NOT OPERATE ..'' | ||
| 12 | PLATE, ''POWER BOX FUSES'' | ||
| 13 | PLATE, ''AIR FILTER'' | ||
| 14 | PLATE, ''DO NOT USE ETHER'' | ||
| 15 | PLATE, ''RADIATOR PLUG'' | ||
| 16 | PLATE, ''ATTENTION, MACHINE IN MOVEMENT'' | ||
| 17 | PLATE, ''COOLANT FLUID'' | ||
| 18 | PLATE, ''AIR FILTER'' | ||
| 19 | PLATE, ''HYDRAULIC OIL LEVEL'' | ||
| 20 | PLATE, ''CABIN FUSES'' | ||
| 21 | 312614704 | PLATE, ''AIR RECYCLE'' |