zakaz@zapkomat.su
8 800 777-45-32
Расчитать заявку
Каталог
Типы
Гидравлика
Крепеж
Прокладки
Соединения
Кожухи
Электрика
Справочник
Запрос сотрудничества
Сервисным организациям
Контакты
Главная
Справочник
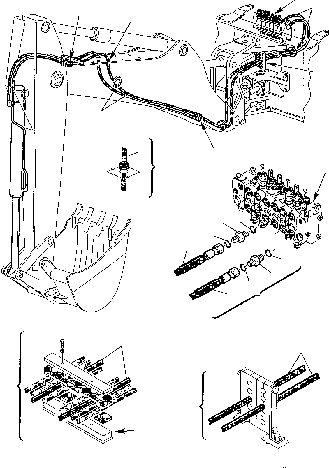
Запчасти гидролиния (цилиндр ковша) (/) экскаваторы-погрузчики wb140ps-2 s/n 140f50092-up Komatsu
1
500380113
UNION
2
855051119
O-RING
3
855051018
O-RING
4
392860006
HOSE
5
312708621
BUSHING
A
A
4
B
B
C
C
D
D
4
5
2
1
3
4
2
1
3
4
4
4
A
B
B
X
Рассчитать
Ваше имя:
Телефон *:
E-mail:
Сообщение: Пришлите наличие и стоимость
Оформить заказ