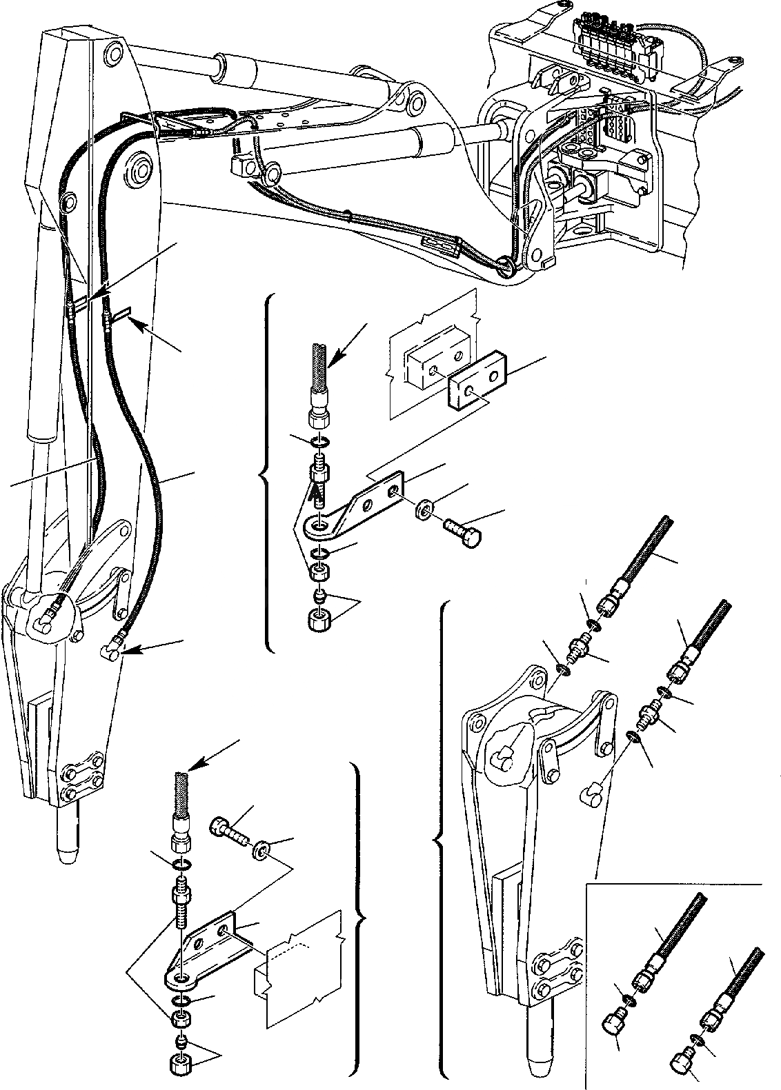
| 1 | 312343609 | SUPPORT L.H. | |
| 2 | 801015108 | BOLT | |
| 3 | 802150510 | WASHER | |
| 4 | 500380324 | UNION, ASSY | |
| 5 | 855051018 | O-RING | |
| 6 | 500380314 | PLUG | |
| 7 | 312343608 | SUPPORT R.H. | |
| 8 | 801015108 | BOLT | |
| 9 | 802150510 | WASHER | |
| 10 | 500380325 | UNION, ASSY | |
| 11 | 855051021 | O-RING | |
| 12 | 500380315 | PLUG | |
| 13 | 392860022 | HOSE | |
| 14 | 500380113 | UNION | |
| 15 | 855051119 | O-RING | |
| 16 | 855051018 | O-RING | |
| 17 | 392400006 | HOSE | |
| 18 | 500380115 | UNION | |
| 19 | 855051119 | O-RING | |
| 20 | 855051021 | O-RING | |
| 21 | 500380304 | PLUG | |
| 22 | 855051018 | O-RING | |
| 23 | 500380305 | PLUG | |
| 24 | 855051021 | O-RING |