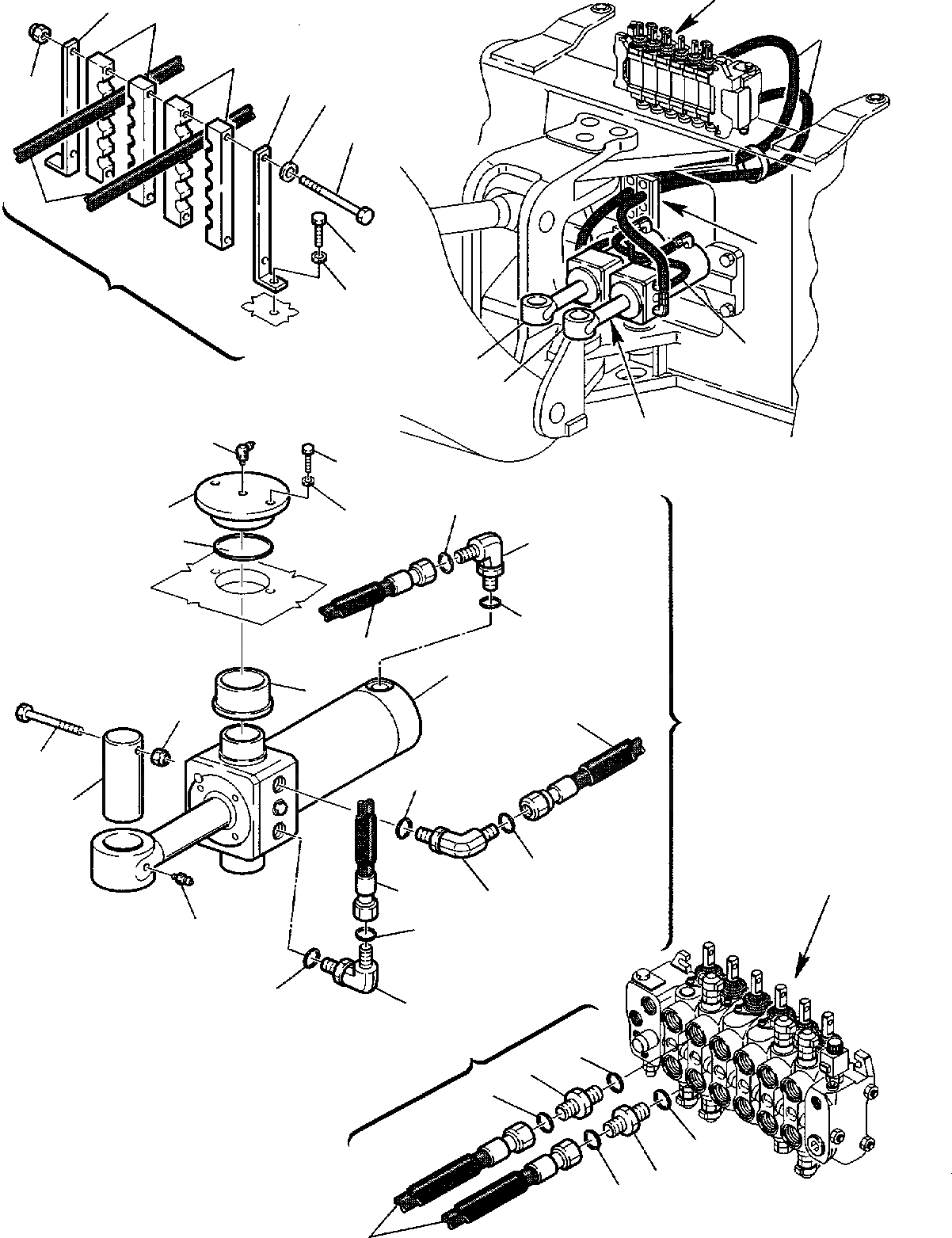
Запчасти гидролиния (цилиндр поворота стрелы линия) экскаваторы-погрузчики wb150ps-2 s/n 150f50020-up Komatsu



1 392860007 HOSE
2 500380123 UNION
3 855051119 O-RING
4 855051012 O-RING
5 500380503 ELBOW
6 855051111 O-RING
7 855051012 O-RING
8 395005017 BOOM SWING CYLINDER ASSY, R.H.
9 395005018 BOOM SWING CYLINDER ASSY, L.H.
10 860010007 FITTING
11 390597062 PIN
12 801015584 BOLT
13 801880212 WASHER
14 500213511 BUSHING
15 500014689 PLUG
16 855021836 O-RING
17 801015086 BOLT
18 802170001 WASHER
19 860030004 FITTING
20 392860003 HOSE
21 312707611 SUPPORT
22 801015110 BOLT
23 802170002 WASHER
24 312707610 BUCKLE
25 801014810 BOLT
26 802170001 WASHER
27 801880208 SELF-LOCKING NUT
24
21
22
A
A
B
B
C
1
C
24
21
27
26
25
1
23
20
8
9
19
17
7
15
18
16
5
6
20
8
14
9
13
20
12
6
11
7
1
5
7
10
6
5
3
2
4
3
2
4
1
A
X
Рассчитать