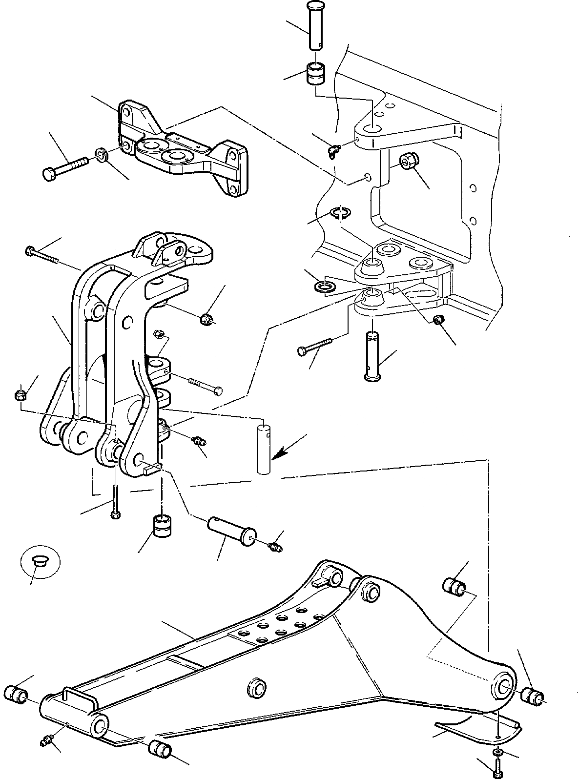
Запчасти крепление стрелы (/) экскаваторы-погрузчики wb150aws-2 s/n 150f80001-up Komatsu



1 312708052 BOOM
2 500210034 BUSHING
3 500212005 BUSHING
4 860010007 FITTING
5 312708053 PROTECTION
6 801015110 BOLT
7 802170002 WASHER
8 312704612 BRACKET, ASSY
9 312704604 BUSHING
10 312704608 PIN
11 801015584 BOLT
12 801880212 SELF-LOCKING NUT
13 801015586 BOLT
14 312703624 SUPPORT
15 801015291 BOLT
16 802060024 WASHER
17 801920112 NUT
18 312704602 PIN
19 801015586 BOLT
20 801880212 SELF-LOCKING NUT
21 390606064 SPACER
22 802270024 SNAP RING
23 860030004 FITTING
24 390597065 PIN
25 312704603 BUSHING
26 500610633 PLUG
24
20
25
12
14
15
23
16
17
22
13
21
8
18
12
19
4
11
4
2
9
10
26
1
2
3
5
6
4
7
3
A
X
Рассчитать