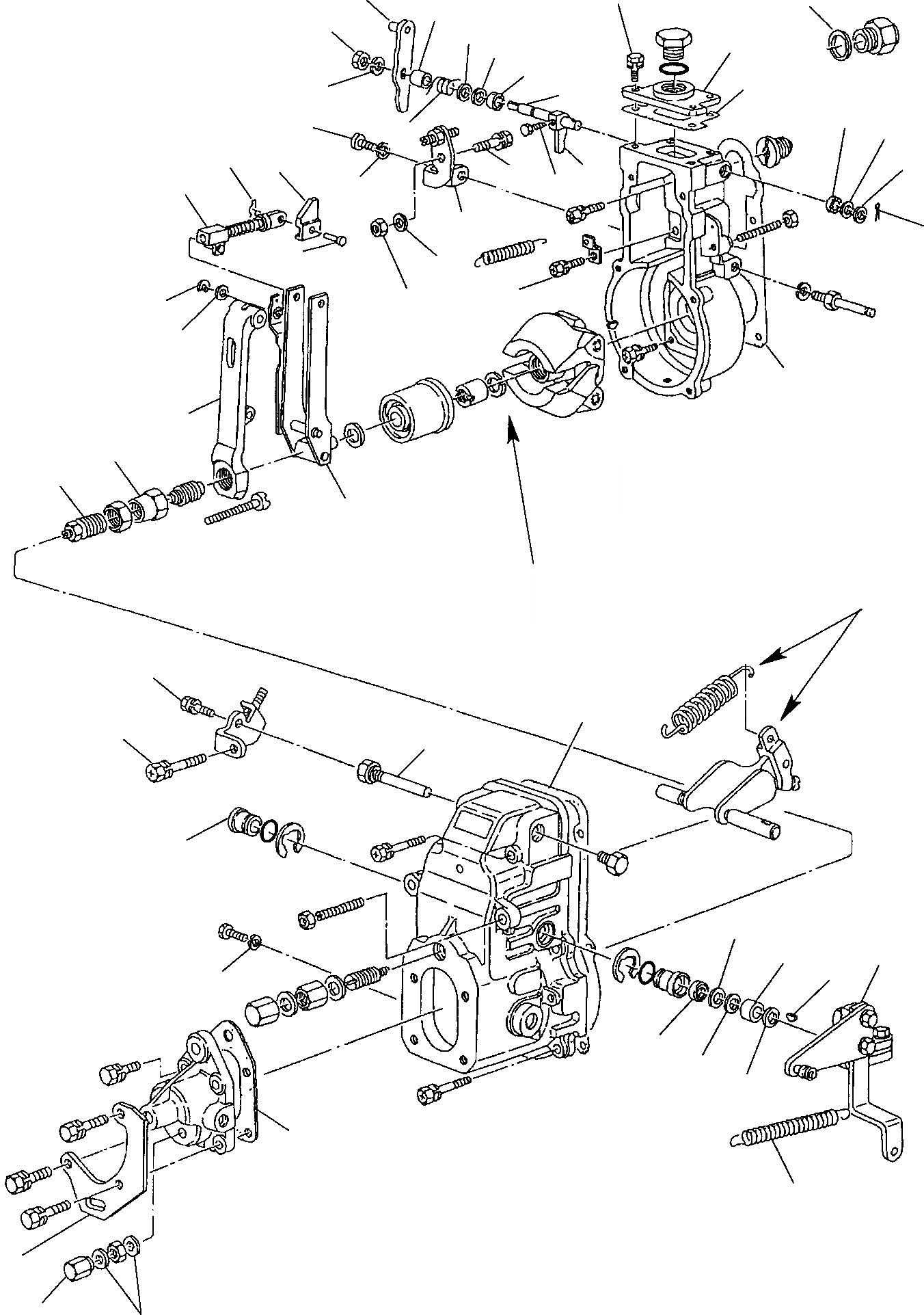
| \0 | 871070041 | TURBO ENGINE | |
| 53 | YMX1396110000 | SEAL, OIL | |
| 54 | YMX1394110000 | SHIM | |
| 55 | YMX0293111070 | SHIM | |
| 56 | YMX1542043100 | BUSH | |
| 57 | YMX0258031310 | KEY | |
| 58 | YMX1542062800 | COLLAR | |
| 59 | YMX1542060200 | WASHER | |
| 60 | YMX1542185220 | LEVER | |
| 61 | YMX1542344020 | LINK | |
| 62 | YMX0160100540 | RING | |
| 63 | YMX1542395120 | LEVER | |
| 64 | YMX1542371100 | PIN | |
| 65 | YMX1543963120 | LEVER | |
| 66 | YMX0141103440 | SPRING | |
| 67 | YMX0200061240 | BOLT | |
| 68 | YMX1543142600 | SPRING | |
| 69 | YMX1543902000 | GASKET | |
| 70 | YMX1540637900 | COVER | |
| 71 | YMX1542323000 | CONNECTOR | |
| 72 | YMX0200061640 | BOLT | |
| 73 | YMX0201061640 | BOLT | |
| 74 | YMX1550043301 | SHAFT | |
| 75 | YMX1550032520 | LEVER | |
| 76 | YMX1550060700 | BOLT | |
| 77 | YMX1393080900 | WASHER | |
| 78 | YMX1393081000 | WASHER | |
| 79 | YMX1543901300 | GASKET | |
| 80 | YMX1543900300 | GASKET | |
| 81 | YMX1543905000 | GASKET | |
| 82 | YMX0265081140 | GASKET | |
| 83 | YMX1540352000 | CAP NUT | |
| 84 | YMX1543763000 | BRACKET | |
| 85 | YMX0265182240 | GASKET | |
| 86 | YMX1541884320 | SPRING | |
| 87 | YMX0292016010 | NUT | |
| 88 | YMX0255201210 | SPRING | |
| 89 | YMX1542065200 | COLLAR | |
| 90 | YMX1543280500 | SPRING | |
| 91 | YMX1543832420 | LEVER | |
| 92 | YMX0141108440 | SPRING | |
| 93 | YMX0130208040 | NUT | |
| 94 | YMX0296208050 | OIL SEAL | |
| 95 | YMX0201065040 | BOLT | |
| 96 | YMX0293105170 | SHIM | |
| 97 | YMX1542225800 | PIN | |
| 98 | YMX1554023800 | SNAP PIN | |
| 99 | YMX1543591320 | BRACKET | |
| 100 | YMX0201181640 | BOLT | |
| 101 | YMX1540111100 | NUT | |
| 102 | YMX0293008320 | SHIM | |
| 103 | YMX1540106100 | SCREW | |
| 104 | YMX0141108440 | SPRING |