zakaz@zapkomat.su
8 800 777-45-32
Расчитать заявку
Каталог
Типы
Гидравлика
Крепеж
Прокладки
Соединения
Кожухи
Электрика
Справочник
Запрос сотрудничества
Сервисным организациям
Контакты
Главная
Справочник
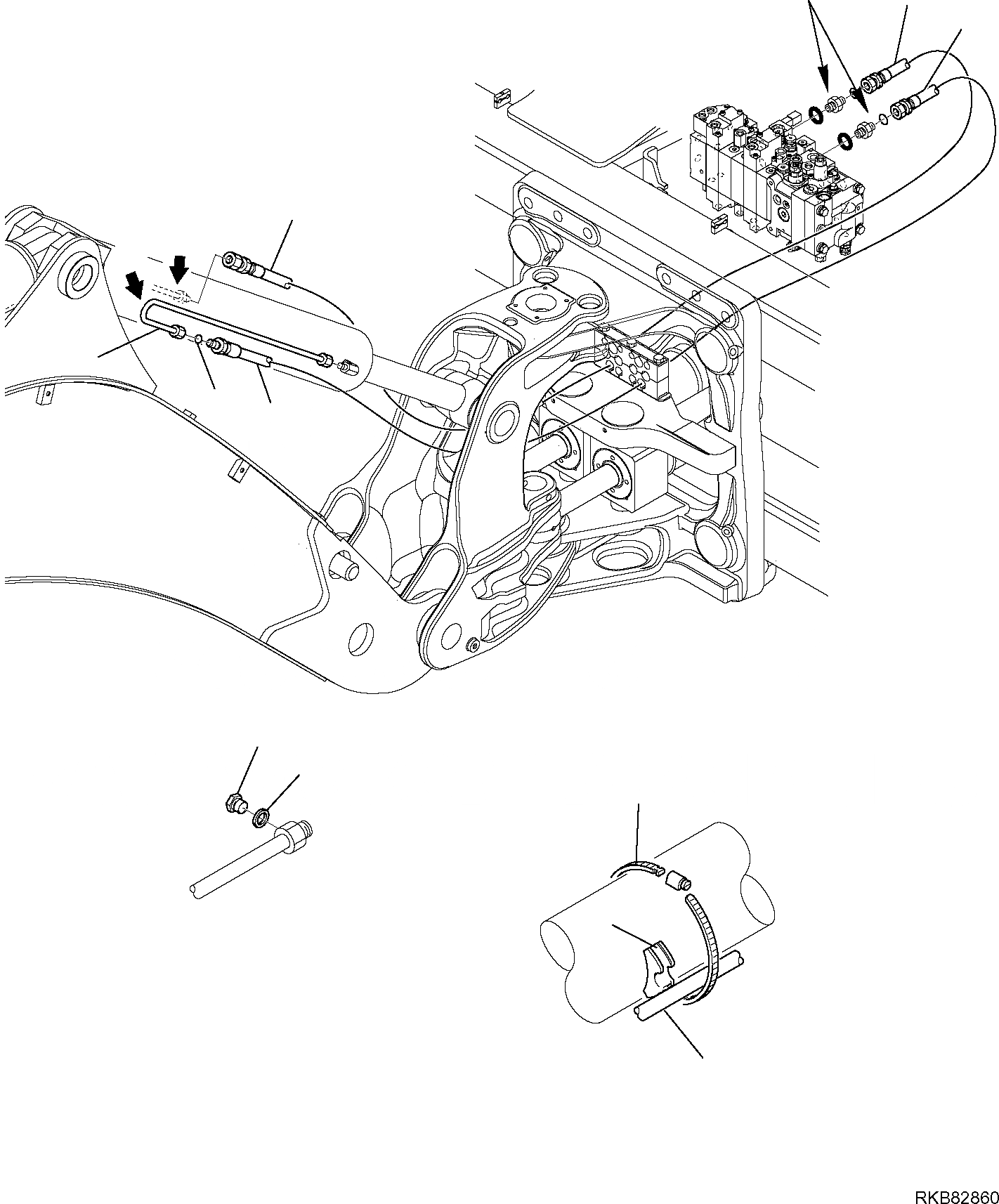
Запчасти гидролиния (цилиндр стрелы) экскаваторы-погрузчики wb97s-5e0 s/n f30003-up Komatsu
1
42N-62-12370
PIPE
2
22E-62-11570
U-BOLT
3
21D-09-82530
CLAMP
4
42N-62-12730
HOSE
5
42N-62-14681
HOSE
6
02896-11018
O-RING
7
21D-09-55120
PLUG
8
22L-62-24660
GASKET
4
5
4
1
6
5
7
8
3
2
1
a
a
b
b
A
X
Рассчитать
Ваше имя:
Телефон *:
E-mail:
Сообщение: Пришлите наличие и стоимость
Оформить заказ