zakaz@zapkomat.su
8 800 777-45-32
Расчитать заявку
Каталог
Типы
Гидравлика
Крепеж
Прокладки
Соединения
Кожухи
Электрика
Справочник
Запрос сотрудничества
Сервисным организациям
Контакты
Главная
Справочник
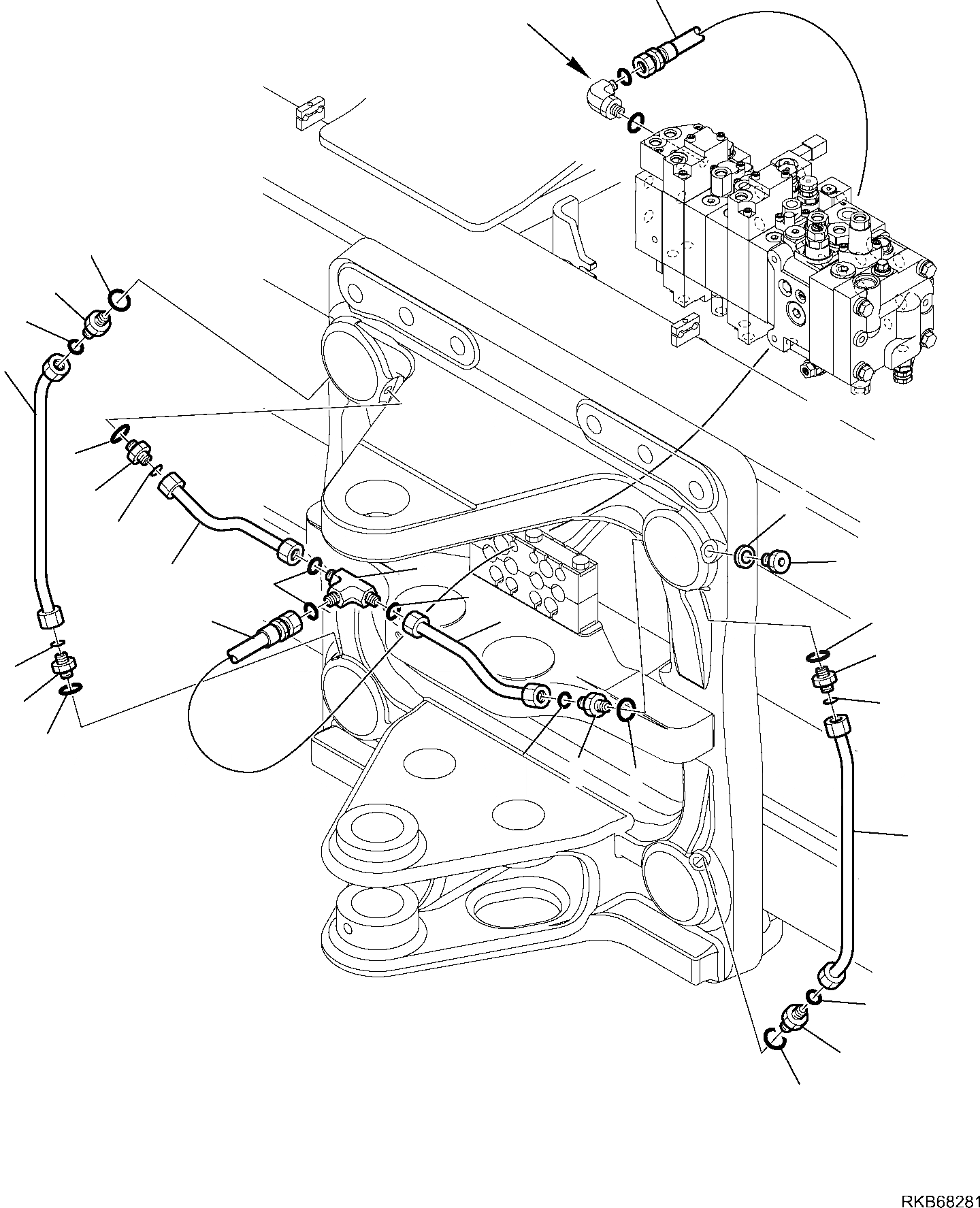
Запчасти гидролиния (сдвижная панель блокир.ing линия) экскаваторы-погрузчики wb97s-5e0 s/n f30003-up Komatsu
1
42N-62-13480
HOSE
2
42N-833-1420
TEE
3
02896-11009
O-RING
4
42N-62-13461
PIPE
5
37D-09-66103
UNION
6
21D-09-69960
O-RING
7
02896-11009
O-RING
8
42N-62-13471
PIPE
9
21D-09-55130
PLUG
10
21D-09-86280
WASHER
1
6
5
7
8
6
5
10
7
9
2
4
3
3
6
1
4
5
7
7
5
6
7
5
6
8
7
5
6
A
X
Рассчитать
Ваше имя:
Телефон *:
E-mail:
Сообщение: Пришлите наличие и стоимость
Оформить заказ