zakaz@zapkomat.su
8 800 777-45-32
Расчитать заявку
Каталог
Типы
Гидравлика
Крепеж
Прокладки
Соединения
Кожухи
Электрика
Справочник
Запрос сотрудничества
Сервисным организациям
Контакты
Главная
Справочник
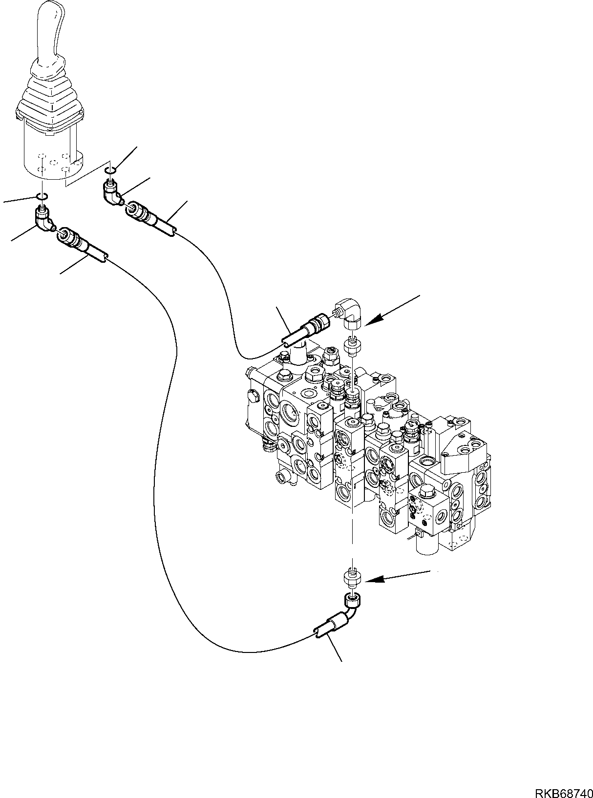
Запчасти гидролиния (сервоуправл. линия) (цилиндр поворота стрелы линия) экскаваторы-погрузчики wb97s-5e0 s/n f30003-up Komatsu
1
22E-09-11550
ELBOW
2
21D-09-69960
O-RING
3
42N-62-14840
HOSE
4
42N-62-14860
HOSE
2
1
3
2
1
4
3
4
A
A
X
Рассчитать
Ваше имя:
Телефон *:
E-mail:
Сообщение: Пришлите наличие и стоимость
Оформить заказ