zakaz@zapkomat.su
8 800 777-45-32
Расчитать заявку
Каталог
Типы
Гидравлика
Крепеж
Прокладки
Соединения
Кожухи
Электрика
Справочник
Запрос сотрудничества
Сервисным организациям
Контакты
Главная
Справочник
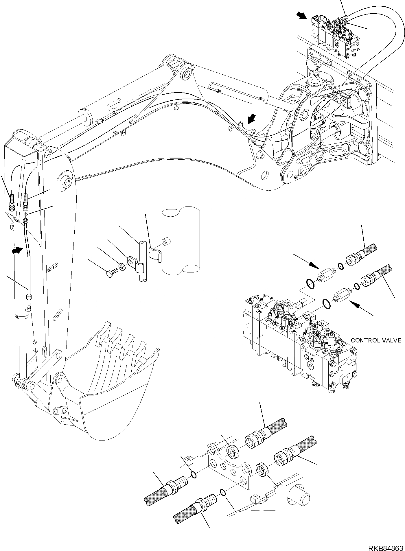
Запчасти гидролиния (линия ковша) экскаваторы-погрузчики wb93s-5e0 s/n f20466- up Komatsu
1
42N-62-14831
PIPE
2
02896-11018
O-RING
3
42N-62-14930
CLAMP
4
01643-11032
WASHER
5
01010-81025
BOLT
6
42N-63-11750
HOSE
7
42N-63-11750
HOSE
8
42N-62-14352
HOSE
9
02896-11015
O-RING
7
6
8
8
2
3
7
1
3
4
5
1
6
a
6
8
9
8
7
8
9
8
A
A
a
b
b
c
c
X
Рассчитать
Ваше имя:
Телефон *:
E-mail:
Сообщение: Пришлите наличие и стоимость
Оформить заказ