zakaz@zapkomat.su
8 800 777-45-32
Расчитать заявку
Каталог
Типы
Гидравлика
Крепеж
Прокладки
Соединения
Кожухи
Электрика
Справочник
Запрос сотрудничества
Сервисным организациям
Контакты
Главная
Справочник
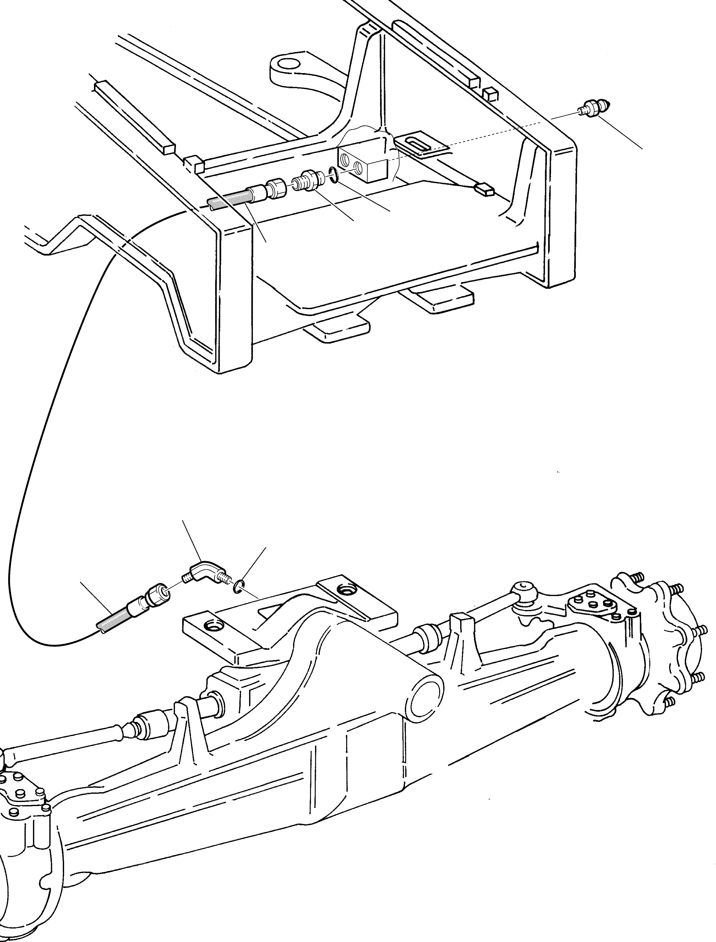
Запчасти система смазки моста экскаваторы-погрузчики wb97r-2 s/n 97f21409-up Komatsu
1
860010007
FITTING
2
500358752
UNION
3
855670020
O-RING
4
392363045
PIPE
5
500355715
UNION
6
855051111
O-RING
1
3
2
4
6
5
4
X
Рассчитать
Ваше имя:
Телефон *:
E-mail:
Сообщение: Пришлите наличие и стоимость
Оформить заказ