zakaz@zapkomat.su
8 800 777-45-32
Расчитать заявку
Каталог
Типы
Гидравлика
Крепеж
Прокладки
Соединения
Кожухи
Электрика
Справочник
Запрос сотрудничества
Сервисным организациям
Контакты
Главная
Справочник
Запчасти гидравл контур для positionable поворотн.ing ковш (/) экскаваторы-погрузчики wb97r-2 s/n 97f21409-up Komatsu
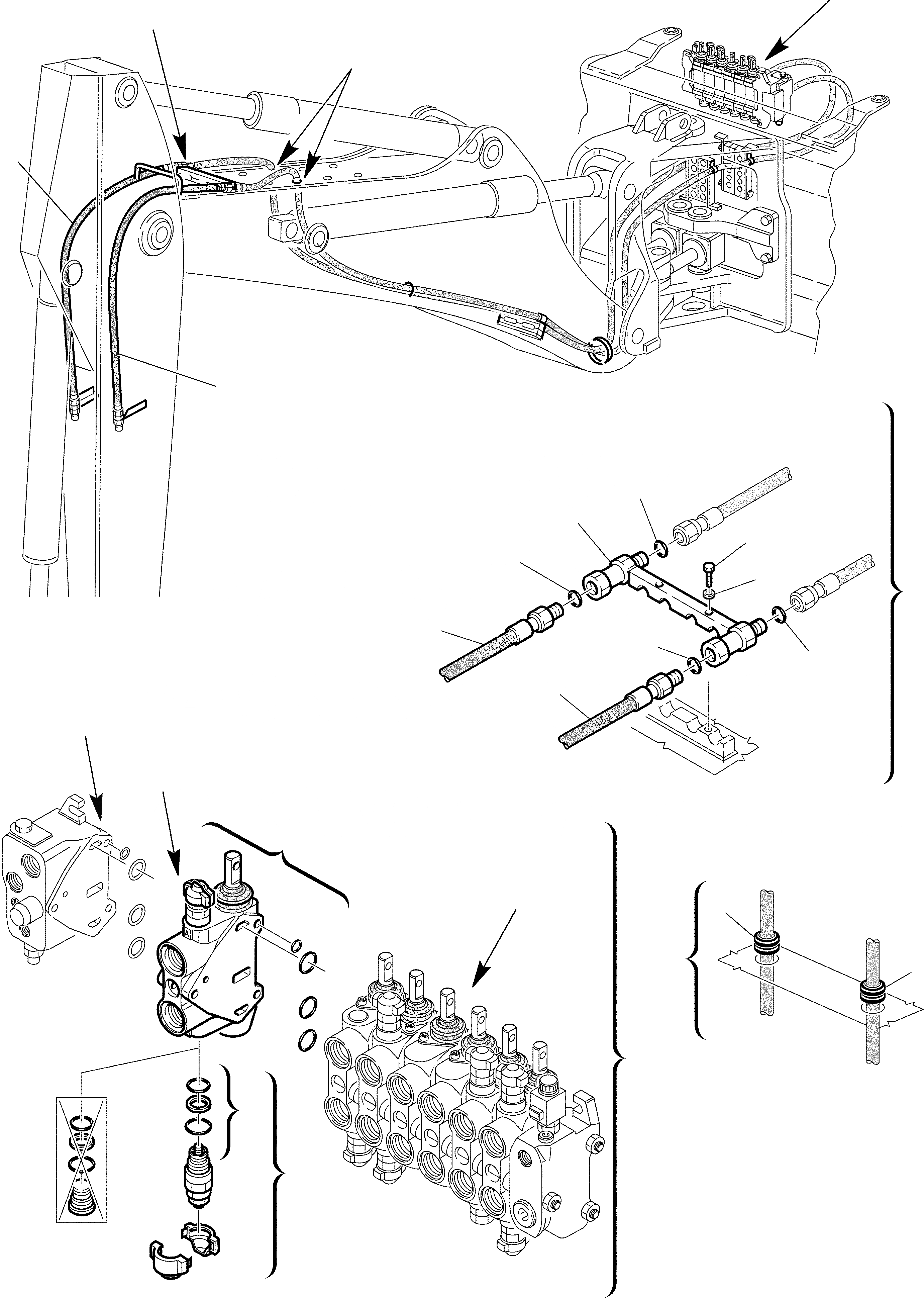
1
312708621
RUBBER
2
392861008
HOSE
3
855051018
O-RING
4
312708054
EXTENSION
5
855051018
O-RING
6
801015089
BOLT
7
802170001
WASHER
8
844200710
BLOCK, HAMMER CONTROL ASSY
9
844200422
SECONDARY VALVE
10
844200174
GASKET KIT
A
A
B
B
C
C
A
A
B
2
2
5
4
6
3
7
2
3
5
2
8
1
1
10
9
X
Рассчитать
Ваше имя:
Телефон *:
E-mail:
Сообщение: Пришлите наличие и стоимость
Оформить заказ