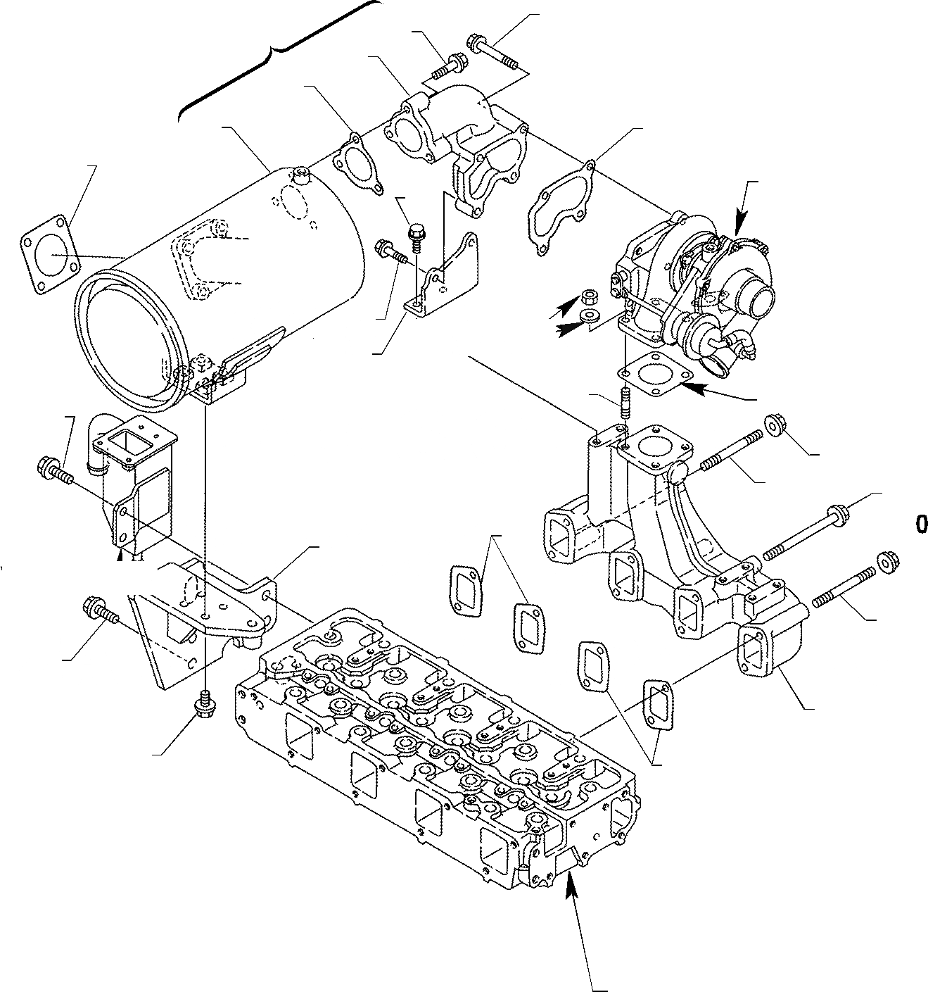
| \0 | 871070050 | TURBO ENGINE | |
| 1 | YM119593-11300 | BOLT | |
| 2 | YM123910-13100 | MANIFOLD | |
| 3 | YM123900-13150 | GASKET | |
| 4 | YM123910-13900 | BRACKET | |
| 5 | YM26106-080162 | BOLT | |
| 6 | YM26106-080952 | BOLT | |
| 7 | YM26213-080222 | STUD | |
| 8 | YM123910-13910 | BRACKET | |
| 9 | YM26106-100222 | BOLT | |
| 10 | YM129400-13201 | GASKET | |
| 11 | YM123910-13510 | SILENCER | |
| 12 | YM123910-13300 | BEND | |
| 13 | EXHAUST | ||
| 14 | YM129472-13520 | GASKET | |
| 15 | YM26106-080452 | BOLT | |
| 16 | YM123901-18080 | GASKET | |
| 17 | YM26106-080142 | BOLT | |
| 18 | YM26106-080402 | BOLT | |
| 19 | YM26106-080702 | BOLT | |
| 20 | YM26366-080002 | NUT | |
| 21 | YM26106-100252 | BOLT |