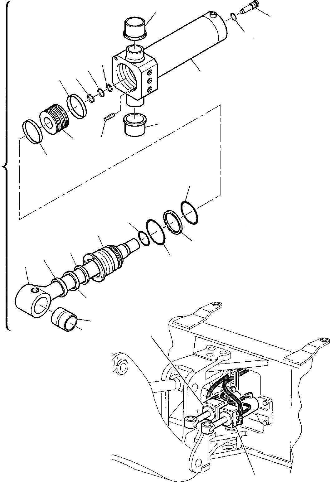
| 1 | 395005019 | BOOM SWING CYLINDER ASSY, R.H. | |
| 2 | 395005020 | BOOM SWING CYLINDER ASSY, L.H. | |
| 3 | 395187012 | ROD | |
| 4 | 390601058 | BUSHING | |
| 5 | 500460953 | RING NUT | |
| 6 | 395273012 | PISTON | |
| 7 | 500468851 | RING | |
| 8 | 500252046 | RING | |
| 9 | 802250530 | RING | |
| 10 | 500213004 | BUSHING | |
| 11 | 395090012 | CYLINDER, RIGHT | |
| 12 | 395091012 | CYLINDER , LEFT | |
| 13 | 312705602 | CYLINDER | |
| \13 | 878000493 | GASKET KIT | |
| 14 | GASKET | ||
| 15 | O-RING | ||
| 16 | O-RING | ||
| 17 | RING | ||
| 18 | O-RING | ||
| 19 | GASKET | ||
| 20 | RING WEAR | ||
| 21 | SCRAPER RING | ||
| 22 | GASKET | ||
| 23 | O-RING | ||
| 24 | 801456086 | BOLT |