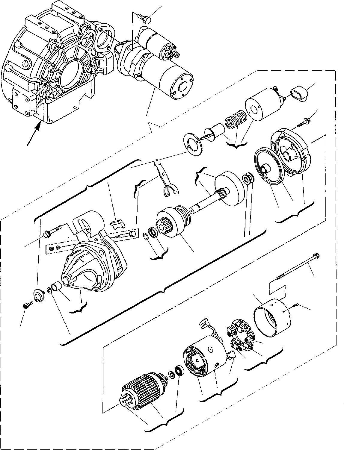
| \0 | 871070050 | TURBO ENGINE | |
| 1 | YM129953-77010 | STARTING MOTOR | |
| 2 | YM121254-77402 | ARMATURE ASSY | |
| 5 | YM121254-77430 | WASHER | |
| 9 | YM121254-77480 | STOPPER PINION | |
| 13 | YM121254-77521 | COIL ASSY, FIELD | |
| 14 | YM121254-77541 | BRUSH | |
| 15 | YM121254-77550 | COVER | |
| 16 | YM121254-77571 | HOLDER | |
| 17 | YM121254-77581 | BRUSH | |
| 18 | YM121254-77590 | SPRING, BRUSH | |
| 19 | YM121254-77600 | BEARING ASSY, CENTER | |
| 20 | YM121254-77610 | SEAL, OIL | |
| 21 | YM121254-77620 | BEARING, NEEDLE | |
| 22 | YM121254-77640 | SHAFT | |
| 24 | YM129953-77660 | PINION | |
| 25 | YMX2130570040 | SWITCH | |
| 26 | YM121254-77681 | CASE ASSY | |
| 27 | YM121254-77690 | GEAR CASE | |
| 28 | YM121254-77700 | LEVER | |
| 31 | YM121254-77730 | DUST COVER SET | |
| 35 | YM121254-77770 | BOLT | |
| 36 | YM121254-77790 | SCREW | |
| 37 | YM121254-77810 | TERMINAL COVER | |
| 38 | YM26106-060302 | BOLT | |
| 39 | YM26106-060452 | BOLT | |
| 40 | YM121254-77780 | SCREW | |
| 41 | YM26116-120302 | BOLT |