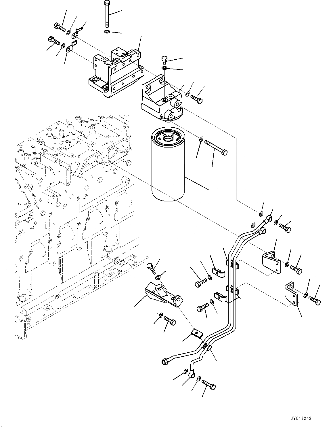
| |$0 | 6252-71-6300 | Head Assembly | |
| 1 | 6252-71-6310 | Head | |
| 2 | 07040-11209 | Plug | |
| 3 | 07005-01212 | Seal, Washer | |
| 4 | 600-311-3841 | Cartridge | |
| 5 | 01010-81040 | Bolt | |
| 6 | 01643-31032 | Washer | |
| 7 | 01011-81020 | Bolt | |
| 8 | 01643-31032 | Washer | |
| 9 | 6252-71-6220 | Bracket | |
| 10 | 01011-81075 | Bolt | |
| 11 | 01643-31032 | Washer | |
| 12 | 08193-20010 | Clip | |
| 13 | 01010-81020 | Bolt | |
| 14 | 01643-31032 | Washer | |
| 15 | 6252-81-9610 | Clip | |
| 16 | 01010-81020 | Bolt | |
| 17 | 01643-31032 | Washer | |
| 18 | 6252-71-5420 | Tube | |
| 19 | 6252-71-5430 | Tube | |
| 20 | 7700-45-1710 | Bolt, Joint | |
| 21 | 07206-31014 | Bolt, Joint | |
| 22 | 07005-01412 | Seal, Washer | |
| 23 | 6252-71-5410 | Bracket | |
| 24 | 01010-81030 | Bolt | |
| 25 | 01643-31032 | Washer | |
| 26 | 6252-71-5730 | Bracket | |
| 27 | 01010-81025 | Bolt | |
| 28 | 01643-31032 | Washer | |
| 29 | 6166-75-6821 | Clamp, half | |
| 30 | 01010-80835 | Bolt | |
| 31 | 01643-30823 | Washer | |
| 32 | 6252-71-5740 | Bracket | |
| 33 | 01010-81025 | Bolt | |
| 34 | 01643-31032 | Washer | |
| 35 | 6166-75-6821 | Clamp, half | |
| 36 | 6261-51-9481 | Clamp, half | |
| 37 | 01010-80840 | Bolt | |
| 38 | 01643-30823 | Washer |