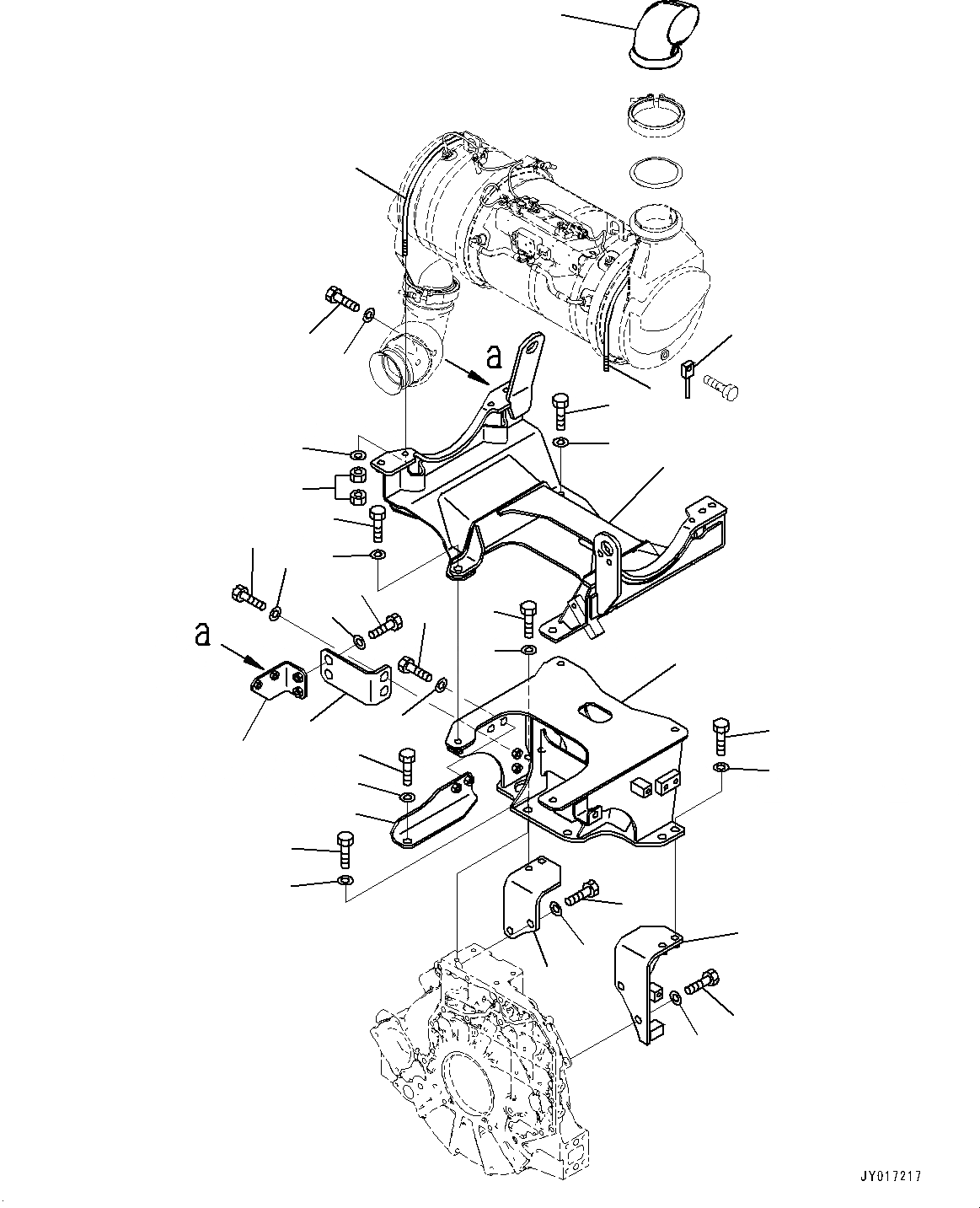
| 1 | 6755-11-5170 | Pipe | |
| 1 | 2A5-01-11343 | Pipe | |
| 2 | 2A5-01-11720 | Joint | |
| 3 | 2A5-01-11373 | Bracket | |
| 4 | 01010-81230 | Bolt | |
| 5 | 01643-31232 | Washer | |
| 6 | 01010-81250 | Bolt | |
| 7 | 01643-31232 | Washer | |
| 8 | 2A5-01-11412 | Bolt | |
| 9 | 2A5-01-11421 | Washer | |
| 10 | 01581-01008 | Nut | |
| 11 | 2A5-01-11382 | Bracket | |
| 11 | 2A5-01-11381 | Bracket | |
| 12 | 01010-81240 | Bolt | |
| 13 | 01643-31232 | Washer | |
| 14 | 01010-81240 | Bolt | |
| 15 | 01643-31232 | Washer | |
| 16 | 2A5-01-11391 | Bracket | |
| 17 | 01010-81240 | Bolt | |
| 18 | 01643-31232 | Washer | |
| 19 | 2A5-01-11490 | Bracket | |
| 20 | 01010-81240 | Bolt | |
| 21 | 01643-31232 | Washer | |
| 22 | 2A5-01-11531 | Bracket | |
| 23 | 01010-81230 | Bolt | |
| 24 | 01643-31232 | Washer | |
| 25 | 2A5-01-11521 | Bracket | |
| 26 | 01010-81030 | Bolt | |
| 27 | 01643-31032 | Washer | |
| 28 | 2A5-01-11510 | Bracket | |
| 29 | 01010-81230 | Bolt | |
| 30 | 175-54-34170 | Washer |