zakaz@zapkomat.su
8 800 777-45-32
Расчитать заявку
Каталог
Типы
Гидравлика
Крепеж
Прокладки
Соединения
Кожухи
Электрика
Справочник
Запрос сотрудничества
Сервисным организациям
Контакты
Главная
Справочник
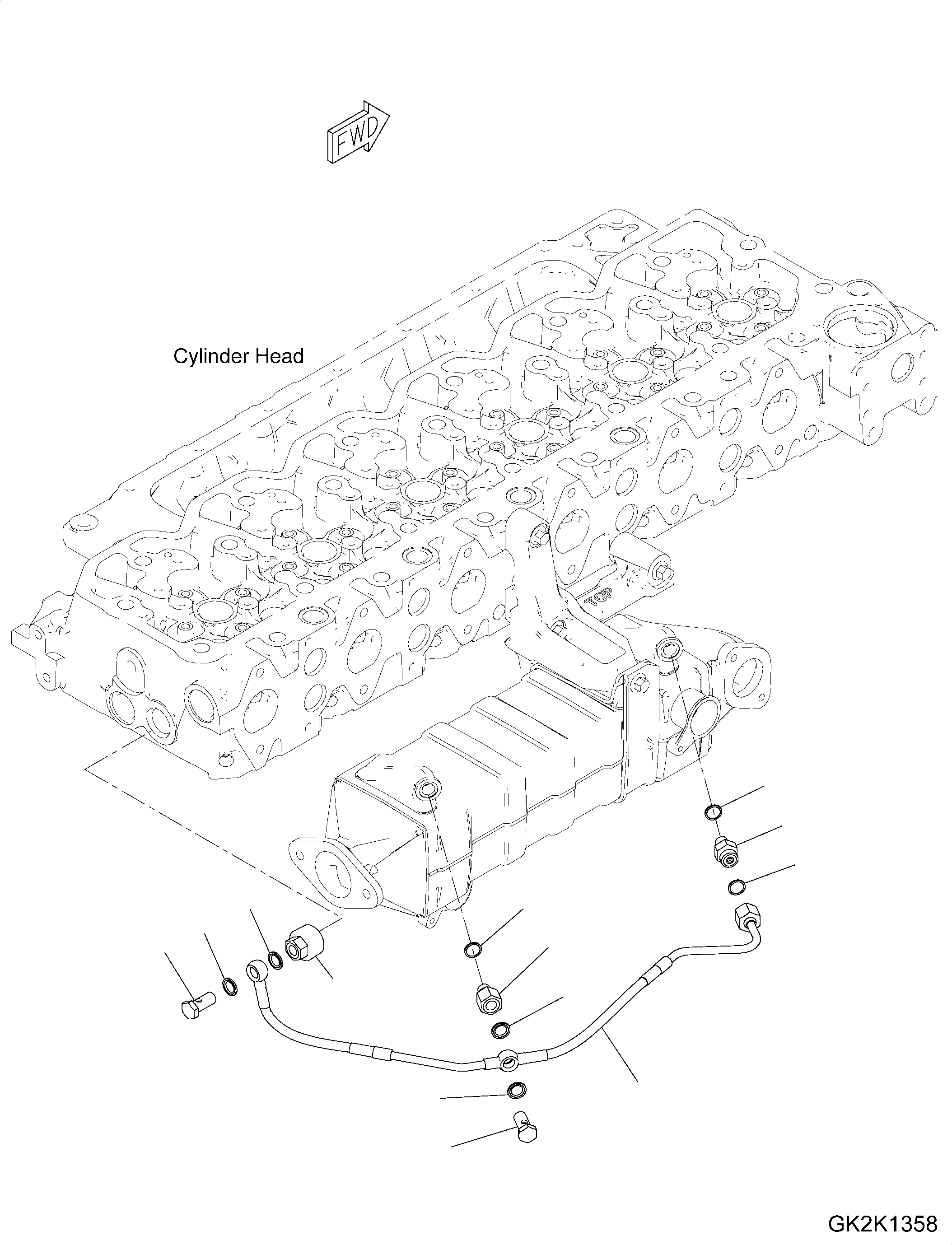
Запчасти двигатель хладагент вентилятор двигатели saa6d107e-2 s/n 22069880-up (for pw180-10) Komatsu
1
6755-61-7110
Connector
2
6755-61-7120
Union
3
6216-54-8330
O-Ring
4
6735-21-1970
O-Ring
5
6755-61-7140
Connector
6
6735-21-1970
O-Ring
7
6755-61-7160
Tube
8
6755-61-7170
Seal, Washer
9
6755-61-7180
Screw
1
8
8
9
8
9
8
5
6
4
2
3
7
X
Рассчитать
Ваше имя:
Телефон *:
E-mail:
Сообщение: Пришлите наличие и стоимость
Оформить заказ