Запчасти выпускной коллектор погрузчики с бортовым поворотом sk510-5 s/n 37df00001-up Komatsu



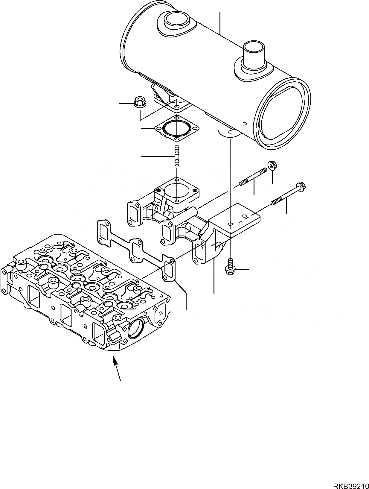
\0 37D-01-11200 ENGINE, ASSEMBLY
1 YM129004-13110 MANIFOLD, EXHAUST
2 YM129150-13111 GASKET, EXHAUST MANIFOLD
3 YM119131-18320 STUD
4 YM123900-13630 BOLT, FLANGED
5 YM123900-13610 STUD
6 YM26306-080002 NUT, FLANGED
7 YM129004-13200 GASKET, SILENCER
8 YM129244-13500 SILENCER
9 YM26106-080252 BOLT, FLANGED
10 YM26306-080002 NUT, FLANGED
8
10
7
3
6
5
4
9
1
2
A
X
Рассчитать