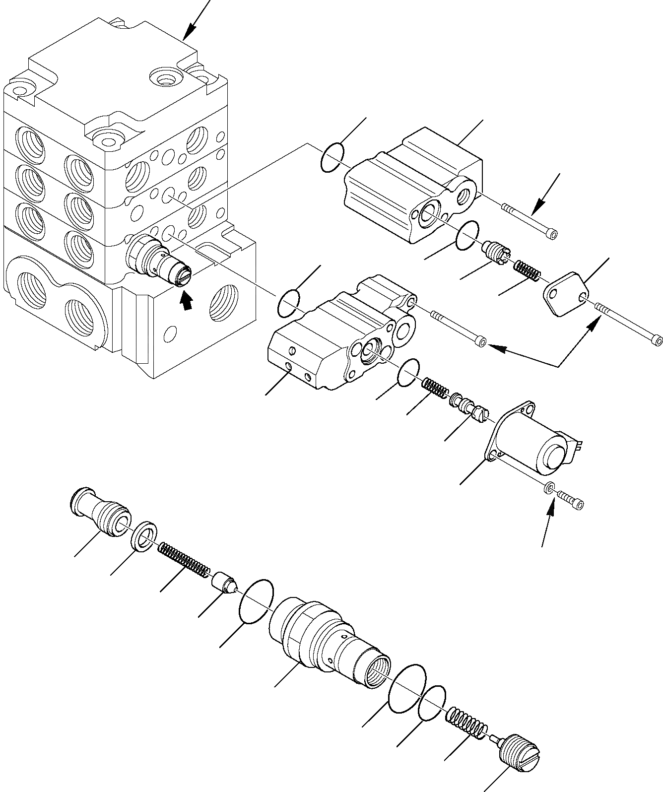
| \0 | 723-13-11606 | CONTROL VALVE, ASSY. | |
| 1 | BODY | ||
| 2 | BODY | ||
| 3 | 722-12-19120 | O-RING | |
| 4 | SPOOL | ||
| 5 | 723-11-28630 | SPRING | |
| 6 | 723-11-29520 | O-RING | |
| 7 | 702-21-55430 | O-RING | |
| 8 | 702-21-56261 | COIL | |
| \8 | VALVE, ASSY. | ||
| 9 | VALVE | ||
| 10 | 723-11-29550 | SPRING | |
| 11 | HOLDER, VALVE W/CASE | ||
| 12 | 07002-12034 | O-RING | |
| 13 | GASKET | ||
| 14 | 702-21-55430 | O-RING | |
| 15 | VALVE | ||
| 16 | 723-11-19490 | O-RING | |
| 17 | 723-11-29580 | SPRING | |
| 18 | VALVE | ||
| 19 | 723-11-27490 | PLATE | |
| 20 | 723-11-18150 | O-RING | |
| 21 | PISTON | ||
| 22 | 723-11-28640 | SPRING |