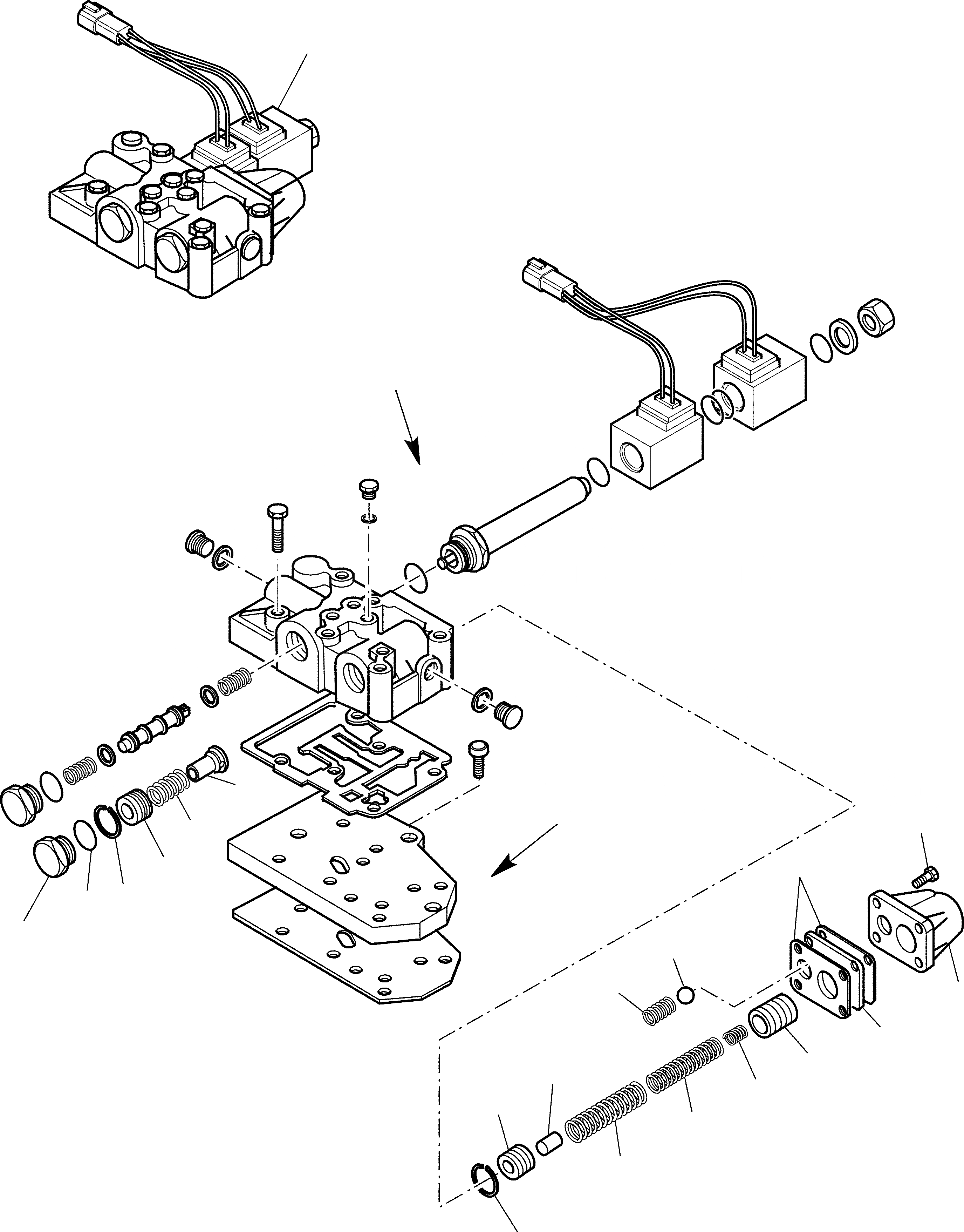
| \0 | 200120073 | GEAR SHAFT, ASSY | |
| 1 | CA0148367 | DISTRIBUTOR | |
| 2 | CA0132922 | PLUG | |
| 3 | CA0028129 | O-RING | |
| 4 | CA0024898 | SNAP RING | |
| 5 | CA0132917 | PISTON | |
| 6 | CA0132927 | SPRING | |
| 7 | CA0139215 | SPRING BUSH | |
| 8 | CA0041635 | BALL | |
| 9 | CA0021373 | BOLT | |
| 10 | CA0132912 | VALVE COVER | |
| 11 | CA0132919 | PLATE GASKET | |
| 12 | CA0139934 | PLATE | |
| 13 | CA0134084 | OUTWARD PISTON | |
| 14 | CA0134074 | SPRING | |
| 15 | CA0134075 | SPRING | |
| 16 | CA0134089 | SPRING | |
| 17 | CA0134086 | PIN | |
| 18 | CA0132670 | INWARD PISTON | |
| 19 | CA0141973 | SNAP RING | |
| 20 | CA0132928 | SPRING |