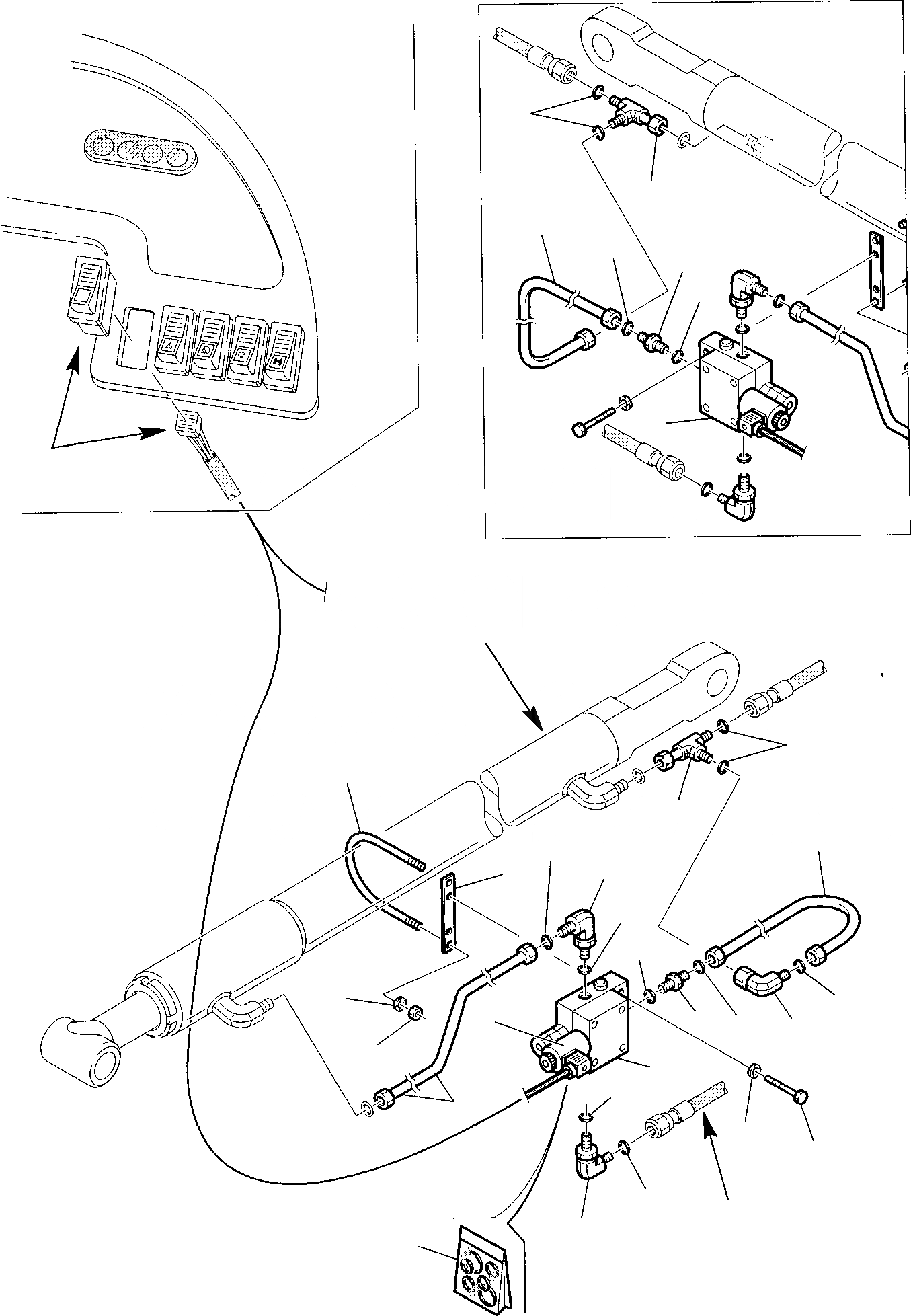
Запчасти гидролиния (цилиндр опрокид-я ковша) (электрич. клапан безопасности) экскаваторы-погрузчики wb91r-2 s/n 91f20070-up Komatsu



1 845250013 VALVE
2 845250505 GASKET, KIT
3 845750001 SOLENOID
4 801015547 BOLT
5 802170001 SPRING WASHER
6 312237601 PLATE
7 312237600 FASTENER
8 801920104 NUT
9 500380508 UNION
10 855051617 O-RING
11 855051014 O-RING
12 312637075 PIPE
13 500380106 UNION
14 855051111 O-RING
15 855051014 O-RING
16 312637077 PIPE
17 312637076 PIPE
18 500380872 TEE
19 855051014 O-RING
20 500380462 ELBOW
21 855051014 O-RING
A
B
C
13
19
18
17
15
13
14
1
19
7
18
16
11
9
6
10
14
5
21
3
15
20
8
1
10
12
5
4
11
9
2
X
Рассчитать