zakaz@zapkomat.su
8 800 777-45-32
Расчитать заявку
Каталог
Типы
Гидравлика
Крепеж
Прокладки
Соединения
Кожухи
Электрика
Справочник
Запрос сотрудничества
Сервисным организациям
Контакты
Главная
Справочник
Запчасти гидр. насос. (/) экскаваторы-погрузчики wb91r-2 s/n 91f20070-up Komatsu
\0
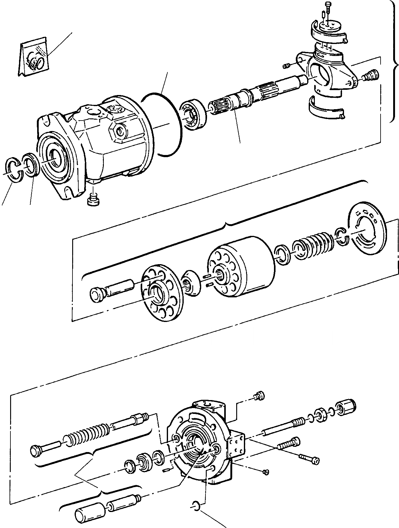
840220102
PUMP ASSY
1
840225229
SNAP RING
2
840225226
GASKET
3
840225227
O-RING
4
840220225
SHAFT
5
840225224
SWASH PLATE
6
840225222
ROTARY GROUP
7
840220223
CONTROL UNIT
8
840220228
O-RING
9
840225241
GASKET KIT
9
5
3
4
1
2
6
7
8
X
Рассчитать
Ваше имя:
Телефон *:
E-mail:
Сообщение: Пришлите наличие и стоимость
Оформить заказ