zakaz@zapkomat.su
8 800 777-45-32
Расчитать заявку
Каталог
Типы
Гидравлика
Крепеж
Прокладки
Соединения
Кожухи
Электрика
Справочник
Запрос сотрудничества
Сервисным организациям
Контакты
Главная
Справочник
Запчасти ls трубы экскаваторы pw180-10 s/n h60051-up Komatsu
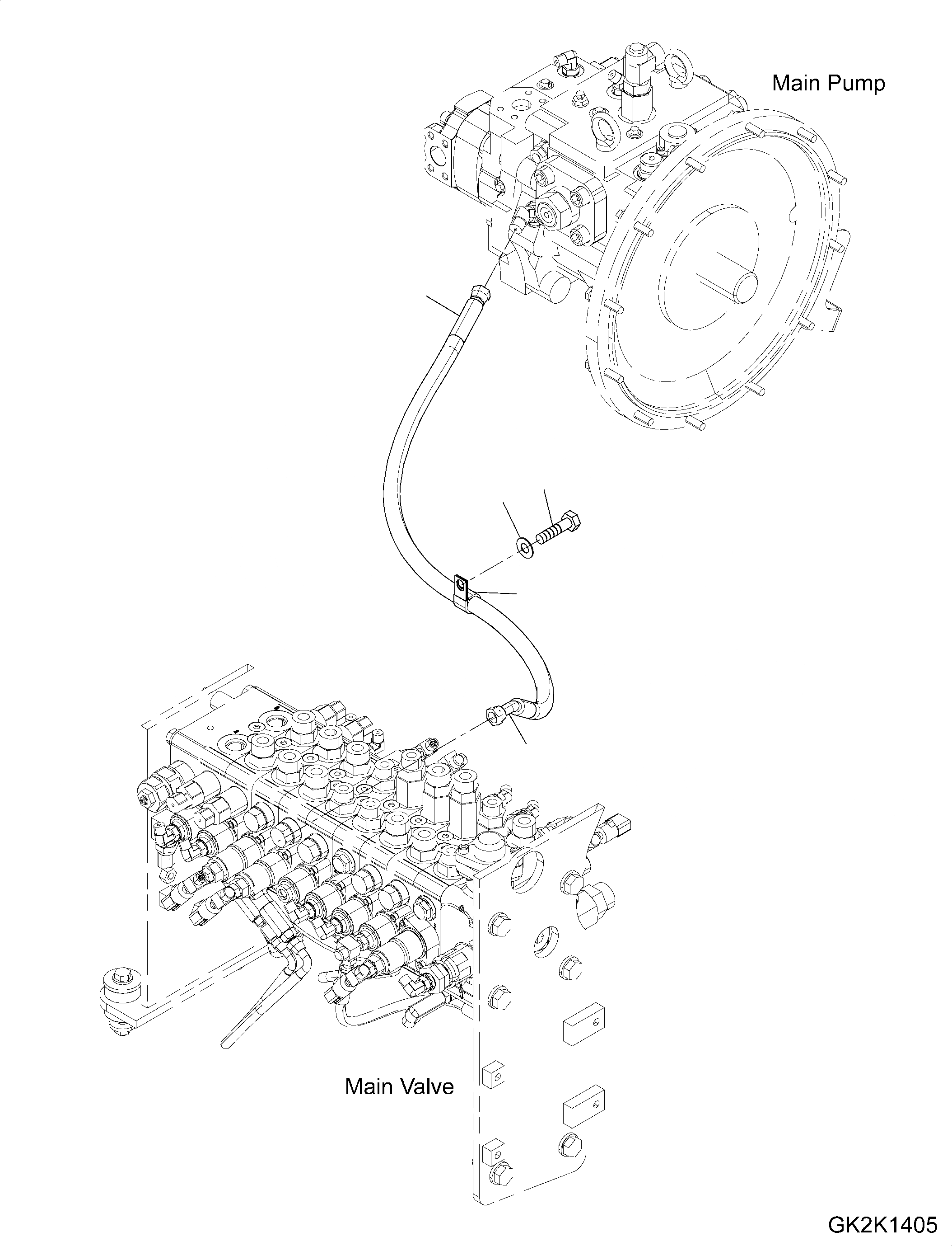
1
02779-00310
Hose
2
04434-52112
Clip
3
01010-81225
Bolt
4
01643-31232
Washer
1
3
4
2
1
X
Рассчитать
Ваше имя:
Телефон *:
E-mail:
Сообщение: Пришлите наличие и стоимость
Оформить заказ