- Главная
- Справочник
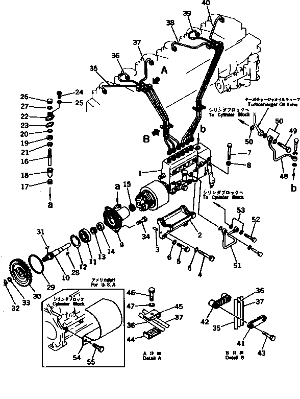
Запчасти топл. насос и трубы(№-) двигатели s6d125-1vv-fk s/n 10001-up Komatsu
|
|
1 |
6151-73-1210 |
INJECTION PUMP ASS'Y
|
|
|
|1 |
6151-73-1220 |
INJECTION PUMP ASS'Y,(FOR SWEDEN)
|
|
|
|1 |
6151-73-1230 |
INJECTION PUMP ASS'Y,(B)
|
|
|
2 |
6150-21-6120 |
BRACKET
|
|
|
3 |
04020-01024 |
PIN,DOWEL
|
|
|
4 |
01010-51080 |
BOLT
|
|
|
5 |
01010-51070 |
BOLT
|
|
|
6 |
01643-31032 |
WASHER
|
|
|
7 |
01010-30875 |
BOLT
|
|
|
8 |
6110-71-5810 |
WASHER
|
|
|
|9 |
6150-71-3100 |
CASE ASS'Y
|
|
|
|9 |
6150-71-3200 |
CASE ASS'Y,(B)
|
|
|
9 |
6150-71-3111 |
CASE
|
|
|
10 |
6150-71-3120 |
SHAFT
|
|
|
11 |
06030-06307 |
BEARING,BALL
|
|
|
12 |
04065-08025 |
RING,SNAP
|
|
|
13 |
6138-71-3230 |
GEAR
|
|
|
14 |
06000-06005 |
BEARING,BALL
|
|
|
15 |
6150-71-3150 |
SEAL,OIL (K2)
|
|
|
|15 |
07012-40025 |
SEAL,OIL¤ (B)
|
|
|
|16 |
6150-81-5200 |
DRIVE ASS'Y,TACHOMETER
|
|
|
16 |
6150-71-1610 |
SHAFT
|
|
|
17 |
6110-73-3220 |
GEAR
|
|
|
18 |
6150-71-1620 |
BUSHING
|
|
|
19 |
6150-71-1910 |
SEAL (K2)
|
|
|
|19 |
6127-71-1190 |
SEAL,(B)
|
|
|
20 |
6162-73-1960 |
WASHER,FELT (K2)
|
|
|
21 |
6162-73-1970 |
SPACER
|
|
|
22 |
6162-73-1920 |
HOUSING
|
|
|
23 |
6162-73-1930 |
GASKET (K2)
|
|
|
24 |
6110-73-3511 |
SCREW
|
|
|
25 |
6110-73-3520 |
WASHER
|
|
|
26 |
6136-81-5291 |
CAP
|
|
|
27 |
6130-82-5270 |
GASKET
|
|
|
28 |
04010-00516 |
KEY
|
|
|
29 |
07000-62125 |
O-RING (K2)
|
|
|
|29 |
07000-62125 |
O-RING
|
|
|
|29 |
07000-02125 |
O-RING (K2)
|
|
|
|29 |
07000-42125 |
O-RING,(B)
|
|
|
30 |
6150-71-3210 |
GEAR
|
|
|
31 |
04010-00519 |
KEY
|
|
|
32 |
01583-12414 |
NUT
|
|
|
33 |
01643-32460 |
WASHER
|
|
|
34 |
01010-51025 |
BOLT
|
|
|
35 |
6150-71-5111 |
TUBE,INJECTION¤ NO.1
|
|
|
36 |
6150-71-5121 |
TUBE,INJECTION¤ NO.2
|
|
|
37 |
6150-71-5131 |
TUBE,INJECTION¤ NO.3
|
|
|
38 |
6150-71-5141 |
TUBE,INJECTION¤ NO.4
|
|
|
39 |
6150-71-5151 |
TUBE,INJECTION¤ NO.5
|
|
|
40 |
6150-71-5161 |
TUBE,INJECTION¤ NO.6
|
|
|
41 |
6151-73-5510 |
CLAMP
|
|
|
|41 |
6151-71-5550 |
CLAMP,(B)
|
|
|
42 |
6151-73-5520 |
CLAMP
|
|
|
|42 |
6151-71-5560 |
CLAMP,(B)
|
|
|
43 |
01010-51055 |
BOLT
|
|
|
44 |
6134-71-5721 |
CLIP¤ WITH THREAD
|
|
|
|44 |
6151-71-5940 |
CLIP¤ WITH THREAD,(B)
|
|
|
45 |
6134-71-5711 |
CLIP
|
|
|
|45 |
6151-71-5930 |
CLIP,(B)
|
|
|
46 |
01010-50630 |
BOLT
|
|
|
47 |
01602-20619 |
WASHER,SPRING
|
|
|
48 |
6151-71-5660 |
TUBE
|
|
|
49 |
6127-71-5710 |
BOLT,JOINT
|
|
|
50 |
07005-01412 |
GASKET (K1)
|
|
|
51 |
6150-71-5710 |
TUBE
|
|
|
52 |
07206-31014 |
BOLT,JOINT
|
|
|
53 |
07005-01412 |
GASKET (K2)
|
|
|
54 |
6151-71-3810 |
COVER,SAFETY (FOR U.S.A.)
|
|
|
55 |
01010-51020 |
BOLT,(FOR U.S.A.)
|