zakaz@zapkomat.su
8 800 777-45-32
Расчитать заявку
Каталог
Типы
Гидравлика
Крепеж
Прокладки
Соединения
Кожухи
Электрика
Справочник
Запрос сотрудничества
Сервисным организациям
Контакты
Главная
Справочник
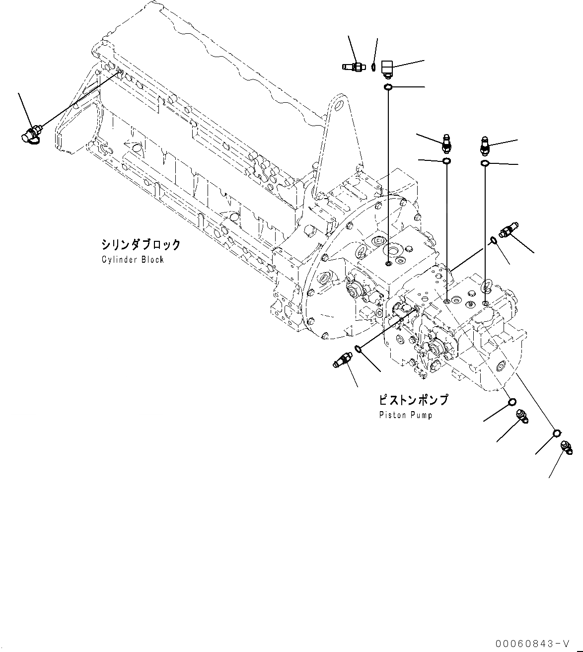
Запчасти периодич. обслуж. service соедин-еs (№7-) экскаваторы pc450lc-8r s/n 75001-up Komatsu
1
799-101-5220
Nipple
2
07002-11023
O-ring
3
207-62-72820
Elbow
4
07002-11023
O-ring
5
799-101-5220
Nipple
6
07002-11023
O-ring
7
195-49-36120
Nipple
4
3
5
1
1
1
1
1
1
7
2
2
2
2
2
2
6
X
Рассчитать
Ваше имя:
Телефон *:
E-mail:
Сообщение: Пришлите наличие и стоимость
Оформить заказ