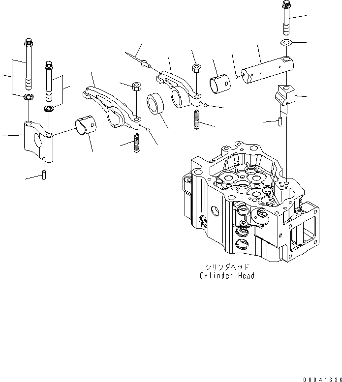
| |1 | 6261-41-5040 | ROCKER ARM ASS'Y,INTAKE | |
| |1 | 6261-41-5400 | ARM ASS'Y | |
| 1 | ARM,ROCKER | ||
| 2 | 6261-41-5420 | BUSHING | |
| 3 | 6162-43-5340 | RIVET | |
| 4 | 04260-00317 | BALL,STEEL | |
| 5 | 6217-41-5550 | SCREW | |
| 6 | 01582-01008 | NUT | |
| |7 | 6261-41-5050 | ROCKER ARM ASS'Y,EXHAUST | |
| |7 | 6261-41-5500 | ARM ASS'Y | |
| 7 | ARM,ROCKER | ||
| 8 | 6261-41-5520 | BUSHING | |
| 9 | 04260-00317 | BALL,STEEL | |
| 10 | 6217-41-5550 | SCREW | |
| 11 | 01582-01008 | NUT | |
| |12 | 6934-42-5300 | ROCKER ARM SHAFT A. | |
| 12 | SHAFT,ARM | ||
| 13 | 04260-00635 | BALL | |
| 14 | 6261-41-5530 | BRACKET | |
| 15 | 6210-41-5440 | COLLAR | |
| 16 | 04020-00514 | PIN,DOWEL | |
| 17 | 04020-00514 | PIN,DOWEL | |
| 18 | 6217-41-5540 | SPACER | |
| 19 | 6217-41-5570 | BOLT | |
| 20 | 6217-41-5560 | BOLT | |
| 21 | 6217-81-8311 | BOLT | |
| 22 | 01643-51232 | WASHER |