zakaz@zapkomat.su
8 800 777-45-32
Расчитать заявку
Каталог
Типы
Гидравлика
Крепеж
Прокладки
Соединения
Кожухи
Электрика
Справочник
Запрос сотрудничества
Сервисным организациям
Контакты
Главная
Справочник
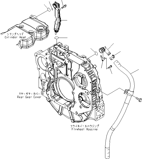
Запчасти сапун двигатели saa6d107e-1b-wk s/n 21664045-up Komatsu
1
6754-21-6140
ELBOW
2
124-11-55H1
SEAL
3
6754-21-6150
PLATE
4
6754-21-6160
BOLT
5
6754-21-6170
HOSE
6
6754-21-6180
CLAMP
|7
6754-21-6100
TUBE ASSEMBLY
7
TUBE
8
6754-21-6250
O-RING
9
6754-21-6240
O-RING
10
6754-21-6280
BOLT
1
2
3
4
5
6
7
8
9
9
10
X
Рассчитать
Ваше имя:
Телефон *:
E-mail:
Сообщение: Пришлите наличие и стоимость
Оформить заказ