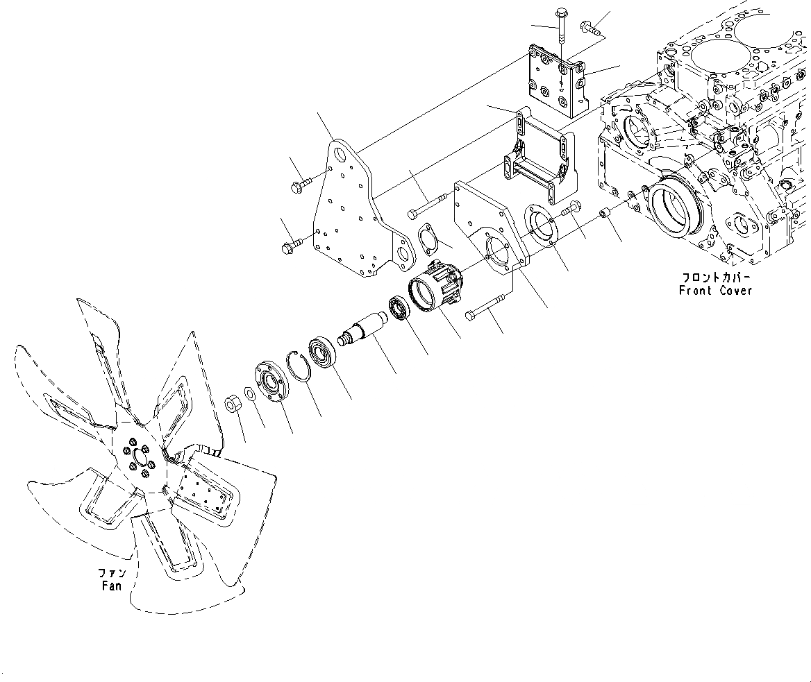
| |$0 | 6151-61-3201 | Case Assembly | |
| 1 | 6151-61-3152 | Case | |
| 2 | 6151-61-3120 | Hub | |
| 3 | 6151-61-3170 | Shaft | |
| 4 | 01583-02414 | Nut | |
| 5 | 01643-32460 | Washer | |
| 6 | 06037-06307 | Bearing, Ball | |
| 7 | 06037-06206 | Bearing, Ball | |
| 8 | 04065-08025 | Ring, Snap | |
| 9 | 01435-01030 | Bolt | |
| 10 | 6151-61-3970 | Cover, Dust | |
| 11 | 6251-61-3530 | Plate | |
| 12 | 6631-11-5630 | Spacer | |
| 13 | 01011-81015 | Bolt | |
| 14 | 6251-61-3520 | Bracket | |
| 15 | 01011-81015 | Bolt | |
| 16 | 6251-61-3820 | Bracket | |
| 17 | 01435-01095 | Bolt | |
| 18 | 6251-21-3950 | Plate, Hanger | |
| 19 | 6166-61-6341 | Gasket | |
| 20 | 01435-01025 | Bolt | |
| 21 | 01435-01035 | Bolt | |
| 22 | 01435-01030 | Bolt |