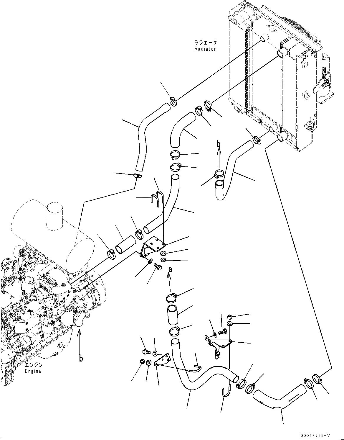
Запчасти хладагент трубы (№79-) погрузчики колесные wa320-6 s/n 70291-up (north america standard machine) Komatsu



1 419-03-48292 Hose
2 419-03-48202 Hose
3 419-03-48320 Hose
4 419-03-48244 Tube
5 423-03-41850 Hose
6 419-03-48223 Hose
7 419-03-48253 Tube
8 419-03-48360 Hose
9 07299-00070 Clamp
10 07289-00055 Clamp
11 07299-00070 Clamp
12 203-01-67580 Clip
13 01643-31032 Washer
14 01597-01009 Nut
15 01010-81225 Bolt
16 01643-31232 Washer
17 01010-81235 Bolt
18 01643-31232 Washer
19 419-03-48263 Plate
20 419-03-48273 Bracket
21 418-03-42190 Bracket
22 01010-81040 Bolt
23 01643-31032 Washer
21
22
12
12
13
14
19
12
13
14
20
12
13
14
7
4
5
9
9
8
11
11
6
9
9
9
9
3
11
11
11
11
2
10
10
1
10
10
15
16
18
17
23
X
Рассчитать