zakaz@zapkomat.su
8 800 777-45-32
Расчитать заявку
Каталог
Типы
Гидравлика
Крепеж
Прокладки
Соединения
Кожухи
Электрика
Справочник
Запрос сотрудничества
Сервисным организациям
Контакты
Главная
Справочник
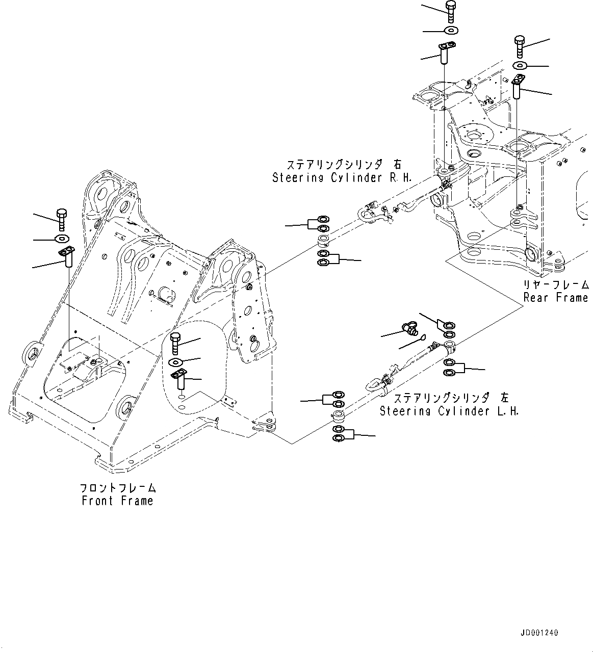
Запчасти цилиндр рулев. упр-я, элементы крепления (№79-) погрузчики колесные wa320-6 s/n 70291-up (north america standard machine) Komatsu
1
419-46-12260
Pin
2
419-46-12280
Shim, T=1.0mm
2
419-46-12290
Shim, T=0.5mm
3
01010-81220
Bolt
4
175-54-34170
Washer
5
419-46-32260
Pin
6
799-101-5220
Nipple
7
07002-11023
O-ring
2
2
2
2
2
2
4
3
4
3
1
5
4
3
5
4
3
1
7
6
X
Рассчитать
Ваше имя:
Телефон *:
E-mail:
Сообщение: Пришлите наличие и стоимость
Оформить заказ