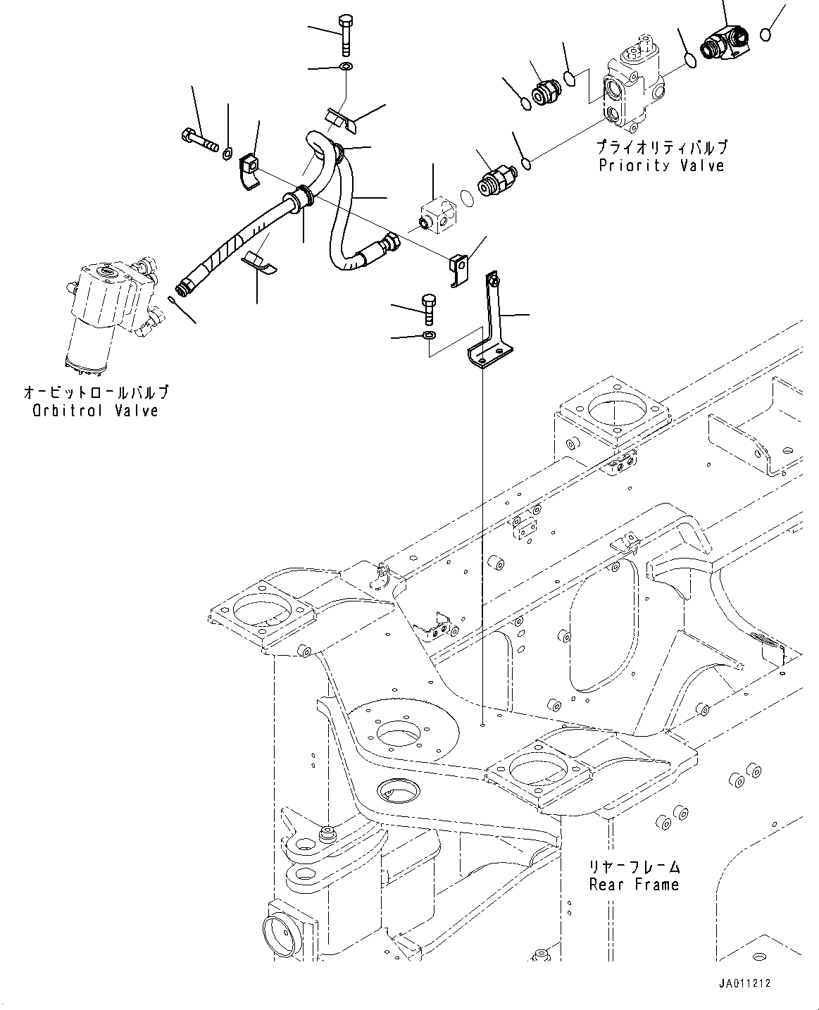
Запчасти клапан управления поворотом, дренажн. трубы (№79-) погрузчики колесные wa320-6 s/n 70291-up (north america standard machine) Komatsu



1 418-62-32172 Nipple
2 418-62-11630 O-ring
3 419-62-31542 Elbow
4 11Y-62-11980 O-ring
5 419-62-48312 Hose
6 02896-11015 O-ring
7 419-62-31840 Valve, Check
8 418-62-11620 O-ring
9 07094-10518 Clamp
10 07095-00523 Cushion
11 01010-81270 Bolt
12 01643-31232 Washer
13 419-62-41170 Bracket
14 01010-81025 Bolt
15 01643-31032 Washer
16 419-62-31930 Joint
|$16 419-62-31930 Joint
9
11
11
12
12
7
1
2
4
8
4
2
3
5
10
9
6
10
9
15
14
9
13
16
X
Рассчитать